Наша группа Вконтакте vk.com/4ertimcom

ГОСТ 10001-15000

ГОСТ 11970.2-76

E-mail автора: 

Нити текстильные. Ряд номинальных линейных плотностей одиночной пряжи из лубяных волокон

Обозначение: ГОСТ 11970.2-76
Статус: действующий
Название рус.: Нити текстильные. Ряд номинальных линейных плотностей одиночной пряжи из лубяных волокон
Название англ.: Textile threads. A number of nominal linear densities of bast fibre single yarn
Дата актуализации текста: 19.06.2012
Дата актуализации описания: 19.06.2012
Дата введения в действие: 01.07.1977
Область и условия применения: Настоящий стандарт распространяется на одиночную пряжу из лубяных волокон и пряжу из смеси лубяных волокон с другими видами волокон и устанавливает для них ряд номинальных линейных плотностей
Взамен: ГОСТ 11970.2-70
Список изменений: №1 от 01.01.1982 (рег. 25.09.1981) «Срок действия продлен»
№2 от 01.06.1987 (рег. 23.01.1987) «Срок действия продлен»
№3 от 01.07.1992 (рег. 28.12.1991) «Срок действия продлен»


ГОСТ 11970.2-76
ГОСТ 11970.2-76
Автор: 
Домашняя страница автора: 

ГОСТ 12096-76

E-mail автора: 

Сафлор для переработки. Технические условия

Обозначение: ГОСТ 12096-76
Статус: действующий
Название рус.: Сафлор для переработки. Технические условия
Название англ.: Safflower. Industrial raw material. Specifications
Дата актуализации текста: 19.06.2012
Дата актуализации описания: 19.06.2012
Дата введения в действие: 01.07.1977
Область и условия применения: Настоящий стандарт распространяется на семена сафлора, заготовляемые и поставляемые для промышленной переработки
Взамен: ГОСТ 12096-66
Список изменений: №1 от 01.07.1987 (рег. 25.03.1987) «Поправка»
№2 от 01.06.1992 (рег. 28.12.1991) «Срок действия продлен»


ГОСТ 12096-76
ГОСТ 12096-76
ГОСТ 12096-76
ГОСТ 12096-76
Автор: 
Домашняя страница автора: 

ГОСТ 13672-76

E-mail автора: 

Торф фрезерный для производства брикетов. Технические требования

Обозначение: ГОСТ 13672-76
Статус: действующий
Название рус.: Торф фрезерный для производства брикетов. Технические требования
Название англ.: Milling turf for briquetting. Technical requirements
Дата актуализации текста: 19.06.2012
Дата актуализации описания: 19.06.2012
Дата введения в действие: 01.07.1977
Область и условия применения: Настоящий стандарт распространяется на фрезерный торф, предназначенный для производства брикетов
Взамен: ГОСТ 13672-68
Список изменений: №1 от 01.07.1987 (рег. 17.03.1987) «Срок действия продлен»


ГОСТ 13672-76
ГОСТ 13672-76
ГОСТ 13672-76
ГОСТ 13672-76
ГОСТ 13672-76
ГОСТ 13672-76
Автор: 
Домашняя страница автора: 

ГОСТ 10096-76

E-mail автора: 

Пудра алюминиевая комкованная. Технические условия

Обозначение: ГОСТ 10096-76
Статус: действующий
Название рус.: Пудра алюминиевая комкованная. Технические условия
Название англ.: Clotted aluminium powder. Technical requirements
Дата актуализации текста: 19.06.2012
Дата актуализации описания: 19.06.2012
Дата введения в действие: 01.01.1978
Область и условия применения: Настоящий стандарт распространяется на алюминиевую комкованную пудру, предназначенную для изготовления теплопрочного деформируемого материала типа САП
Взамен: ГОСТ 10096-62
Список изменений: №1 от 01.01.1984 (рег. 07.07.1983) «Срок действия продлен»
№2 от 01.01.1988 (рег. 29.06.1987) «Срок действия продлен»
№3 от 01.01.1992 (рег. 06.05.1991) «Срок действия продлен»


ГОСТ 10096-76
ГОСТ 10096-76
ГОСТ 10096-76
ГОСТ 10096-76
ГОСТ 10096-76
ГОСТ 10096-76
ГОСТ 10096-76
ГОСТ 10096-76
ГОСТ 10096-76
ГОСТ 10096-76
ГОСТ 10096-76
Автор: 
Домашняя страница автора: 

ГОСТ 10626-76

E-mail автора: 

Витамин А в жире. Технические условия

Обозначение: ГОСТ 10626-76
Статус: действующий
Название рус.: Витамин А в жире. Технические условия
Название англ.: Vitamin A in oil. Specifications
Дата актуализации текста: 19.06.2012
Дата актуализации описания: 19.06.2012
Дата введения в действие: 01.01.1978
Область и условия применения: Настоящий стандарт распространяется на витамин А в жире, предназначенный для витаминизации медицинского жира, используемого для наружного применения, ветеринарного жира, кормов и для получения высокоактивных концентратов витамина А методом молекулярной дистилляции
Взамен: ГОСТ 10626-63
Список изменений: №1 от 01.05.1983 (рег. 24.12.1982) «Срок действия продлен»
№2 от 01.01.1988 (рег. 22.06.1987) «Срок действия продлен»
№3 от 01.06.1993 (рег. 03.11.1992) «Срок действия продлен»


ГОСТ 10626-76
ГОСТ 10626-76
ГОСТ 10626-76
ГОСТ 10626-76
ГОСТ 10626-76
ГОСТ 10626-76
Автор: 
Домашняя страница автора: 

ГОСТ 13056.5-76

E-mail автора: 

Семена деревьев и кустарников. Методы фитопатологического анализа

Обозначение: ГОСТ 13056.5-76
Статус: действующий
Название рус.: Семена деревьев и кустарников. Методы фитопатологического анализа
Название англ.: Seeds of forest trees and shrubs. The methods of the phytopatological analysis
Дата актуализации текста: 19.06.2012
Дата актуализации описания: 19.06.2012
Дата введения в действие: 01.07.1977
Область и условия применения: Настоящий стандарт распространяется на семена деревьев и кустарников, предназначенные для посева, и устанавливает следующие методы фитопатологического анализа: биологический, макроскопический и центрифугирования
Взамен: ГОСТ 13056.5-67
Список изменений: №1 от 01.07.1987 (рег. 17.12.1986) «Срок действия продлен»


ГОСТ 13056.5-76
ГОСТ 13056.5-76
ГОСТ 13056.5-76
ГОСТ 13056.5-76
ГОСТ 13056.5-76
ГОСТ 13056.5-76
ГОСТ 13056.5-76
ГОСТ 13056.5-76
ГОСТ 13056.5-76
ГОСТ 13056.5-76
ГОСТ 13056.5-76
ГОСТ 13056.5-76
ГОСТ 13056.5-76
ГОСТ 13056.5-76
ГОСТ 13056.5-76
ГОСТ 13056.5-76
ГОСТ 13056.5-76
ГОСТ 13056.5-76
ГОСТ 13056.5-76
ГОСТ 13056.5-76
ГОСТ 13056.5-76
ГОСТ 13056.5-76
ГОСТ 13056.5-76
ГОСТ 13056.5-76
Автор: 
Домашняя страница автора: 

ГОСТ 11840-76

E-mail автора: 

Реактивы. Свинец (II) углекислый основной. Технические условия

Обозначение: ГОСТ 11840-76
Статус: действующий
Название рус.: Реактивы. Свинец (II) углекислый основной. Технические условия
Название англ.: Reagents. Basic lead carbonate. Specifications
Дата актуализации текста: 19.06.2012
Дата актуализации описания: 19.06.2012
Дата введения в действие: 01.07.1977
Область и условия применения: Настоящий стандарт распространяется на основной углекислый свинец (II), который представляет собой белый порошок; не растворим в воде, растворим в разбавленных кислотах с выделением углекислого газа
Взамен: ГОСТ 11840-66
Список изменений: №1 от 01.07.1992 (рег. 27.09.1991) «Срок действия продлен»


ГОСТ 11840-76
ГОСТ 11840-76
ГОСТ 11840-76
ГОСТ 11840-76
ГОСТ 11840-76
ГОСТ 11840-76
ГОСТ 11840-76
ГОСТ 11840-76
Автор: 
Домашняя страница автора: 

ГОСТ 12223.0-76

E-mail автора: 

Иридий. Метод спектрального анализа

Обозначение: ГОСТ 12223.0-76
Статус: действующий
Название рус.: Иридий. Метод спектрального анализа
Название англ.: Iridium. Method of spectral analysis
Дата актуализации текста: 19.06.2012
Дата актуализации описания: 19.06.2012
Дата введения в действие: 01.01.1978
Область и условия применения: Настоящий стандарт распространяется на иридий и устанавливает спектральный метод определения массовой доли платины, палладия, родия, рутения, осмия, золота, серебра, свинца, титана, никеля, кремния, железа, алюминия, олова, меди, магния, бария
Взамен в части: ГОСТ 12223-66 в части разд. 1, 2
Список изменений: №1 от 01.07.1982 (рег. 20.01.1982) «Срок действия продлен»
№2 от 01.01.1988 (рег. 05.06.1987) «Срок действия продлен»
№3 от 01.01.1994 (рег. 17.02.1993) «Срок действия продлен»


ГОСТ 12223.0-76
ГОСТ 12223.0-76
ГОСТ 12223.0-76
ГОСТ 12223.0-76
ГОСТ 12223.0-76
ГОСТ 12223.0-76
ГОСТ 12223.0-76
ГОСТ 12223.0-76
Автор: 
Домашняя страница автора: 

ГОСТ 10506-76

E-mail автора: 

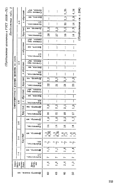
Канаты стальные закрытые подъемные. Сортамент

Обозначение: ГОСТ 10506-76
Статус: действующий
Название рус.: Канаты стальные закрытые подъемные. Сортамент
Название англ.: Hoist closed wire ropes. Assortment
Дата актуализации текста: 19.06.2012
Дата актуализации описания: 19.06.2012
Дата введения в действие: 01.01.1978
Область и условия применения: Настоящий стандарт распространяется на стальные закрытые подъемные спиральные канаты с одним слоем z-образных и одним, двумя или тремя слоями х-образных проволок. Канаты диаметром от 20 до 33 мм изготавливаются с одним слоем х-образных проволок, диаметром от 36 до 46 мм - с двумя слоями х-образных проволок, диаметром 50 мм - с тремя слоями х-образных проволок
Взамен: ГОСТ 10506-63 ГОСТ 10507-63 ГОСТ 10508-63
Список изменений: №1 от 01.01.1984 (рег. 05.08.1983) «Срок действия продлен»
№2 от 01.01.1987 (рег. 12.05.1986) «Срок действия продлен»
№3 от 01.07.1991 (рег. 27.12.1990) «Срок действия продлен»


ГОСТ 10506-76
ГОСТ 10506-76
ГОСТ 10506-76
ГОСТ 10506-76
ГОСТ 10506-76
ГОСТ 10506-76
ГОСТ 10506-76
ГОСТ 10506-76
ГОСТ 10506-76
ГОСТ 10506-76
ГОСТ 10506-76
ГОСТ 10506-76
ГОСТ 10506-76
ГОСТ 10506-76
ГОСТ 10506-76
Автор: 
Домашняя страница автора: 

ГОСТ 12097-76

E-mail автора: 

Рыжик для переработки. Технические условия

Обозначение: ГОСТ 12097-76
Статус: действующий
Название рус.: Рыжик для переработки. Технические условия
Название англ.: False flax. Industrial raw material. Specifications
Дата актуализации текста: 19.06.2012
Дата актуализации описания: 19.06.2012
Дата введения в действие: 01.07.1977
Область и условия применения: Настоящий стандарт распространяется на семена рыжика, заготовляемые и поставляемые для промышленной переработки
Взамен: ГОСТ 12097-66
Список изменений: №1 от 01.07.1987 (рег. 25.03.1987) «Поправка»
№2 от 01.06.1992 (рег. 28.12.1991) «Срок действия продлен»


ГОСТ 12097-76
ГОСТ 12097-76
ГОСТ 12097-76
ГОСТ 12097-76
Автор: 
Домашняя страница автора: 

Страницы