Масла эфирные, вещества душистые и полупродукты их синтеза. Газохроматографический метод анализа
Обозначение:
ГОСТ 14618.5-78
Статус:
действующий
Название рус.:
Масла эфирные, вещества душистые и полупродукты их синтеза. Газохроматографический метод анализа
Название англ.:
Essential oils, aromatics and their intermediates. Method of analysis by gas chromatography
Дата актуализации текста:
19.06.2012
Дата актуализации описания:
19.06.2012
Дата введения в действие:
01.01.1980
Область и условия применения:
Настоящий стандарт распространяется на эфирные масла, душистые вещества и полупродукты их синтеза и устанавливает газохроматографический метод анализа этих веществ
Взамен:
ГОСТ 14618.5-69
Взамен в части:
ГОСТ 14618.8-69 в части разд. 11
Список изменений:
№1 от 01.05.1985 (рег. 30.10.1984) «Срок действия продлен»
№2 от 01.01.1990 (рег. 16.06.1989) «Срок действия продлен»
Концентрат вольфрамовый. Метод определения закиси марганца
Обозначение:
ГОСТ 11884.2-78
Статус:
действующий
Название рус.:
Концентрат вольфрамовый. Метод определения закиси марганца
Название англ.:
Tungsten concentrate. Method of determination of manganese protoxide
Дата актуализации текста:
19.06.2012
Дата актуализации описания:
19.06.2012
Дата введения в действие:
01.07.1980
Область и условия применения:
Настоящий стандарт распространяется на вольфрамовые концентраты всех марок и устанавливает объемный метод определения содержания закиси марганца при массовой доле ее от 0,5 до 18% и фотоколориметрический метод при массовой доле до 2%
Взамен:
ГОСТ 11885-66
Список изменений:
№1 от 01.07.1981 (рег. 30.10.1980) «Срок действия продлен»
№2 от 01.07.1985 (рег. 17.12.1983) «Срок действия продлен»
№3 от 01.07.1990 (рег. 21.12.1989) «Поправка»
Алмазы и инструменты алмазные. Термины и определения
Обозначение:
ГОСТ 14706-78
Статус:
действующий
Название рус.:
Алмазы и инструменты алмазные. Термины и определения
Название англ.:
Diamonds and diamond tools. Terms and definitions
Дата актуализации текста:
19.06.2012
Дата актуализации описания:
19.06.2012
Дата введения в действие:
01.07.1979
Область и условия применения:
Настоящий стандарт устанавливает применяемые в науке, технике и производстве термины и определения основных понятий в области алмазов и алмазных инструментов
Взамен:
ГОСТ 14706-69
Список изменений:
№1 от 01.07.1985 (рег. 11.10.1984) «Срок действия продлен»
Угли бурые. Метод определения петрографического состава
Обозначение:
ГОСТ 12112-78
Статус:
действующий
Название рус.:
Угли бурые. Метод определения петрографического состава
Название англ.:
Brown coals. Method for determination of petrographic composition
Дата актуализации текста:
19.06.2012
Дата актуализации описания:
19.06.2012
Дата введения в действие:
01.01.1979
Область и условия применения:
Настоящий стандарт распространяется на бурые угли и устанавливает метод определения петрографического состава по мацералам, группам мацералов и минеральным включениям для характеристики технологических свойств при геологической разведке, разработке месторождений, промышленном использовании, научных исследованиях и
для классификации.
Метод применим для измерений, выполняемых на полированных аншлиф-брикетах в отраженном белом свете. Допускается проводить определения в тонких шлифах в проходящем свете
Взамен:
ГОСТ 12112-66
Список изменений:
№1 от 01.08.1983 (рег. 28.02.1983) «Срок действия продлен»
№2 от 01.01.1988 (рег. 31.10.1986) «Срок действия продлен»
№3 от 01.09.2005 (рег. 31.03.2005) «Текстовое изменение; Изменены ссылочные НД»
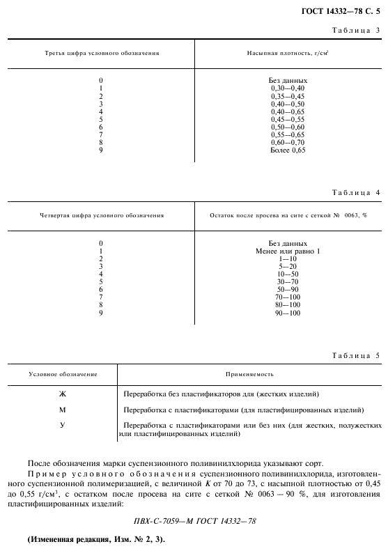
Поливинилхлорид суспензионный. Технические условия
Обозначение:
ГОСТ 14332-78
Статус:
действующий
Название рус.:
Поливинилхлорид суспензионный. Технические условия
Название англ.:
Suspension polyvinylchloride. Specifications
Дата актуализации текста:
19.06.2012
Дата актуализации описания:
19.06.2012
Дата введения в действие:
01.01.1980
Область и условия применения:
Настоящий стандарт распространяется на суспензионный поливинилхлорид, представляющий собой продукт суспензионной полимеризации винилхлорида, изготовляемый для нужд народного хозяйства и экспорта
Взамен:
ГОСТ 14332-69
Список изменений:
№0 от 01.01.2005 (рег. 01.01.2005) «Дата введения перенесена»
№1 от 01.10.1980 (рег. 22.04.1980) «Срок действия продлен»
№2 от 01.09.1982 (рег. 20.05.1982) «Срок действия продлен»
№3 от 01.07.1984 (рег. 20.01.1984) «Срок действия продлен»
№4 от 01.03.1987 (рег. 16.10.1986) «Срок действия продлен»
№5 от 01.01.1990 (рег. 20.06.1989) «Срок действия продлен»
№6 от 01.01.1997 (рег. 12.09.1996) «Срок действия продлен»
Плиты древесностружечные. Метод определения удельного сопротивления выдергиванию гвоздей и шурупов
Обозначение:
ГОСТ 10637-78
Статус:
заменён
Название рус.:
Плиты древесностружечные. Метод определения удельного сопротивления выдергиванию гвоздей и шурупов
Название англ.:
Wood particle boards. Method for determination of resistivity to nail and wood screw withdrawal
Дата актуализации текста:
19.06.2012
Дата актуализации описания:
19.06.2012
Дата введения в действие:
01.01.1980
Область и условия применения:
Настоящий стандарт распространяется на древесностружечные плиты и устанавливает метод определения удельного сопротивления выдергиванию гвоздей и шурупов
Взамен:
ГОСТ 10637-73
Заменяющий:
ГОСТ 10637-2010
Список изменений:
№1 от 01.07.1984 (рег. 17.12.1983) «Срок действия продлен»
№2 от 01.01.1988 (рег. 17.12.1986) «Срок действия продлен»
Сплавы палладиево-серебряно-медные. Метод определения меди и серебра
Обозначение:
ГОСТ 12561.1-78
Статус:
действующий
Название рус.:
Сплавы палладиево-серебряно-медные. Метод определения меди и серебра
Название англ.:
Palladium-silver-copper alloys. Method of the determination of copper and silver
Дата актуализации текста:
19.06.2012
Дата актуализации описания:
19.06.2012
Дата введения в действие:
01.07.1979
Область и условия применения:
Настоящий стандарт устанавливает комплексонометрический метод определения содержания меди (при массовой доле меди от 3,5 до 4,5%) и потенциометрический метод определения содержания серебра ( при массовой доле серебра от 35,4 до 36,6%) с применением блока автоматического титрования в палладиево-серебряно-медных сплавах
Взамен в части:
ГОСТ 12561-67 в части разд. 2 - 4
Список изменений:
№1 от 01.07.1989 (рег. 24.11.1988) «Срок действия продлен»
Настоящий стандарт распространяется на нефтяной толуол, получаемый в процессе каталитического риформинга бензиновых фракций, а также при пиролизе нефтяных продуктов и предназначенный для экономики страны в качестве сырья для органического синтеза, высокооктановых добавок к моторным топливам, растворителя и экспорта
Взамен:
ГОСТ 14710-69 ГОСТ 5.961-71
Список изменений:
№1 от 01.01.1982 (рег. 30.09.1981) «Срок действия продлен»
№2 от 01.04.1983 (рег. 21.01.1983) «Срок действия продлен»
№3 от 01.06.1986 (рег. 20.12.1985) «Срок действия продлен»
№4 от 01.10.1987 (рег. 28.04.1987) «Срок действия продлен»
№5 от 01.08.1996 (рег. 20.06.1996) «Срок действия продлен»
№6 от 01.01.2003 (рег. 01.08.2002) «Текстовое изменение; Изменены ссылочные НД»
Концентраты свинцовые. Полярографические, комплексонометрический и атомно-абсорбционный методы определения меди и цинка
Обозначение:
ГОСТ 14047.2-78
Статус:
действующий
Название рус.:
Концентраты свинцовые. Полярографические, комплексонометрический и атомно-абсорбционный методы определения меди и цинка
Название англ.:
Lead concentrates. Determination of copper and zinc by polarographic, complexometric and atomic absorption methods
Дата актуализации текста:
19.06.2012
Дата актуализации описания:
19.06.2012
Дата введения в действие:
01.01.1980
Область и условия применения:
Настоящий стандарт распространяется на свинцовые концентраты всех марок и устанавливает полярографические и комплексонометрический методы определения массовой доли меди и цинка до 25% каждого и атомно-абсорбционный метод определения массовой доли меди и цинка до 5%
Взамен:
ГОСТ 14047.2-68
Список изменений:
№1 от 01.07.1981 (рег. 27.02.1981) «Срок действия продлен»
№2 от 01.01.1985 (рег. 09.07.1984) «Срок действия продлен»
№3 от 01.01.1990 (рег. 23.06.1989) «Срок действия продлен»