Наша группа Вконтакте vk.com/4ertimcom

ГОСТ 25001-30000

ГОСТ 25636-83

E-mail автора: 

Пленки фототехнические и фотографические любительские. Маркировка и упаковка

Обозначение: ГОСТ 25636-83
Статус: действующий
Название рус.: Пленки фототехнические и фотографические любительские. Маркировка и упаковка
Название англ.: Phototechnical and photographic amateur films. Marking and packing
Дата актуализации текста: 19.06.2012
Дата актуализации описания: 19.06.2012
Дата введения в действие: 01.07.1983
Область и условия применения: Настоящий стандарт распространяется на листовые, рулонные фототехнические пленки и листовые фотографические любительские пленки и устанавливает требования к маркировке и упаковке
Список изменений: №1 от 01.06.1992 (рег. 17.12.1991) «Срок действия продлен»


ГОСТ 25636-83
ГОСТ 25636-83
ГОСТ 25636-83
ГОСТ 25636-83
ГОСТ 25636-83
ГОСТ 25636-83
ГОСТ 25636-83
ГОСТ 25636-83
ГОСТ 25636-83
ГОСТ 25636-83
Автор: 
Домашняя страница автора: 

ГОСТ 25650-83

E-mail автора: 

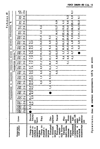
Климат Антарктиды. Районирование и статистические параметры климатических факторов для технических целей

Обозначение: ГОСТ 25650-83
Статус: действующий
Название рус.: Климат Антарктиды. Районирование и статистические параметры климатических факторов для технических целей
Название англ.: Climate of Antarctica. Regionalizing and statistical parameters of climatic factors for technical purposes
Дата актуализации текста: 19.06.2012
Дата актуализации описания: 19.06.2012
Дата введения в действие: 01.01.1984
Область и условия применения: Настоящий стандарт устанавливает климатическое районирование территории Антарктиды и статистические параметры климатических факторов, которые должны использоваться при установлении технических требований, выборе режимов испытаний, правил эксплуатации, хранения, транспорирования всех видов машин, приборов и других технических изделий, предназначенных для эксплуатации в одном из климатических районов, установленных настоящим стандартом


ГОСТ 25650-83
ГОСТ 25650-83
ГОСТ 25650-83
ГОСТ 25650-83
ГОСТ 25650-83
ГОСТ 25650-83
ГОСТ 25650-83
ГОСТ 25650-83
ГОСТ 25650-83
ГОСТ 25650-83
ГОСТ 25650-83
ГОСТ 25650-83
ГОСТ 25650-83
ГОСТ 25650-83
ГОСТ 25650-83
ГОСТ 25650-83
ГОСТ 25650-83
ГОСТ 25650-83
ГОСТ 25650-83
ГОСТ 25650-83
ГОСТ 25650-83
ГОСТ 25650-83
ГОСТ 25650-83
ГОСТ 25650-83
ГОСТ 25650-83
ГОСТ 25650-83
ГОСТ 25650-83
ГОСТ 25650-83
ГОСТ 25650-83
ГОСТ 25650-83
ГОСТ 25650-83
ГОСТ 25650-83
ГОСТ 25650-83
ГОСТ 25650-83
ГОСТ 25650-83
ГОСТ 25650-83
ГОСТ 25650-83
ГОСТ 25650-83
ГОСТ 25650-83
ГОСТ 25650-83
ГОСТ 25650-83
ГОСТ 25650-83
ГОСТ 25650-83
ГОСТ 25650-83
ГОСТ 25650-83
ГОСТ 25650-83
ГОСТ 25650-83
ГОСТ 25650-83
ГОСТ 25650-83
ГОСТ 25650-83
ГОСТ 25650-83
ГОСТ 25650-83
ГОСТ 25650-83
ГОСТ 25650-83
ГОСТ 25650-83
ГОСТ 25650-83
ГОСТ 25650-83
Автор: 
Домашняя страница автора: 

ГОСТ 25984.2-83

E-mail автора: 

Асбест хризотиловый. Метод определения средней длины волокна, массовых долей волокна длиной менее 5 мм и менее 0,5 мм

Обозначение: ГОСТ 25984.2-83
Статус: действующий
Название рус.: Асбест хризотиловый. Метод определения средней длины волокна, массовых долей волокна длиной менее 5 мм и менее 0,5 мм
Название англ.: Chrysotile asbestos. Method for determination of fibre average length, mass fractions of fibre of length less than 5 mm and 0,5 mm
Дата актуализации текста: 19.06.2012
Дата актуализации описания: 19.06.2012
Дата введения в действие: 01.01.1985
Область и условия применения: Настоящий стандарт устанавливает метод определения средней длины волокна и массовых долей волокна длиной менее 5 мм и менее 0,5 мм в хризотиловом асбесте
Взамен в части: ГОСТ 12871-67 в части п. 3.5
Список изменений: №1 от 01.01.1996 (рег. 11.10.1995) «Срок действия продлен»


ГОСТ 25984.2-83
ГОСТ 25984.2-83
ГОСТ 25984.2-83
ГОСТ 25984.2-83
ГОСТ 25984.2-83
ГОСТ 25984.2-83
ГОСТ 25984.2-83
Автор: 
Домашняя страница автора: 

ГОСТ 26000-83

E-mail автора: 

Шины пневматические. Метод определения основных размеров

Обозначение: ГОСТ 26000-83
Статус: действующий
Название рус.: Шины пневматические. Метод определения основных размеров
Название англ.: Pneumatic tyre. Method of identifing of main sizes
Дата актуализации текста: 19.06.2012
Дата актуализации описания: 19.06.2012
Дата введения в действие: 01.01.1985
Область и условия применения: Настоящий стандарт устанавливает метод определения основных размеров: наружного диаметра, ширины профиля без нагрузки, ширины профиля под нагрузкой и статического радиуса пневматических шин для всех видов транспортных средств.
Стандарт не распространяется на шины диаметром более 1600 мм и шириной профиля более 600 мм
Список изменений: №1 от 01.03.1991 (рег. 05.09.1990) «Поправка»


ГОСТ 26000-83
ГОСТ 26000-83
ГОСТ 26000-83
ГОСТ 26000-83
ГОСТ 26000-83
ГОСТ 26000-83
Автор: 
Домашняя страница автора: 

ГОСТ 25786-83

E-mail автора: 

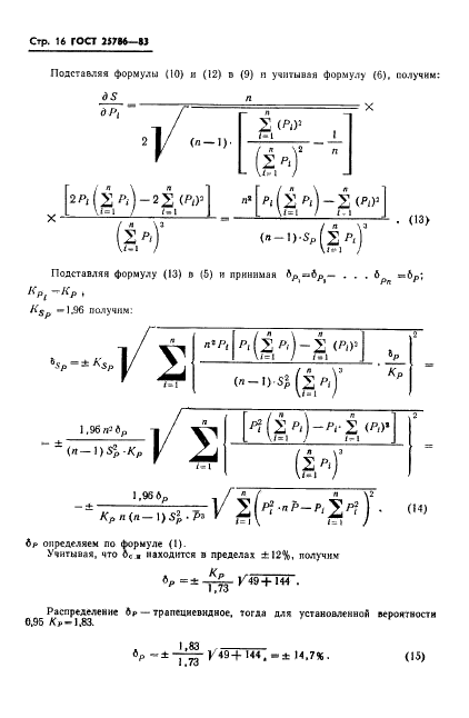
Лазеры. Методы измерений средней мощности, средней мощности импульса, относительной нестабильности средней мощности лазерного излучения

Обозначение: ГОСТ 25786-83
Статус: действующий
Название рус.: Лазеры. Методы измерений средней мощности, средней мощности импульса, относительной нестабильности средней мощности лазерного излучения
Название англ.: Lasers. Measuring methods of average power, pulse average power, relative average power instability
Дата актуализации текста: 19.06.2012
Дата актуализации описания: 19.06.2012
Дата введения в действие: 01.07.1984
Область и условия применения: Настоящий стандарт распространяется на лазеры и излучатели лазеров непрерывного и импульсного режимов работы в диапазоне длин волн 0,25-11,8 мкм


ГОСТ 25786-83
ГОСТ 25786-83
ГОСТ 25786-83
ГОСТ 25786-83
ГОСТ 25786-83
ГОСТ 25786-83
ГОСТ 25786-83
ГОСТ 25786-83
ГОСТ 25786-83
ГОСТ 25786-83
ГОСТ 25786-83
ГОСТ 25786-83
ГОСТ 25786-83
ГОСТ 25786-83
ГОСТ 25786-83
ГОСТ 25786-83
ГОСТ 25786-83
ГОСТ 25786-83
ГОСТ 25786-83
ГОСТ 25786-83
ГОСТ 25786-83
ГОСТ 25786-83
ГОСТ 25786-83
ГОСТ 25786-83
ГОСТ 25786-83
Автор: 
Домашняя страница автора: 

ГОСТ 25702.6-83

E-mail автора: 

Концентраты редкометаллические. Метод определения окиси кальция

Обозначение: ГОСТ 25702.6-83
Статус: действующий
Название рус.: Концентраты редкометаллические. Метод определения окиси кальция
Название англ.: Raremetallic concentrates. Method for the determination of calcium oxide
Дата актуализации текста: 19.06.2012
Дата актуализации описания: 19.06.2012
Дата введения в действие: 01.07.1984
Область и условия применения: Настоящий стандарт распространяется на редкометаллические концентраты и устанавливает атомно-абсорбционный метод определения окиси кальция в целестиновом (при массовой доле ее от 0,7 до 15% и при массовой доле сернокислого стронция от 70 до 95%, окиси бария не более 12% и суммы окисей алюминия, кремния и железа не более 2%) и ниобиевом (пирохлоровом) (при массовой доле окиси кальция от 1 до 10%) концентратах
Список изменений: №1 от 01.04.1989 (рег. 29.09.1988) «Срок действия продлен»


ГОСТ 25702.6-83
ГОСТ 25702.6-83
ГОСТ 25702.6-83
ГОСТ 25702.6-83
ГОСТ 25702.6-83
ГОСТ 25702.6-83
ГОСТ 25702.6-83
ГОСТ 25702.6-83
Автор: 
Домашняя страница автора: 

ГОСТ 25702.10-83

E-mail автора: 

Концентраты редкометаллические. Метод определения суммы редкоземельных элементов (РЗЭ)

Обозначение: ГОСТ 25702.10-83
Статус: действующий
Название рус.: Концентраты редкометаллические. Метод определения суммы редкоземельных элементов (РЗЭ)
Название англ.: Raremetallic concentrates. Method for the determination of sum of rare earths
Дата актуализации текста: 19.06.2012
Дата актуализации описания: 19.06.2012
Дата введения в действие: 01.07.1984
Область и условия применения: Настоящий стандарт распространяется на редкометаллические концентраты и устанавливает комплексонометрический метод определения суммы редкоземельных элементов в иттросинхизитовом концентрате (при массовой доле от 3 до 15%) и в лопаритовом концентрате (при массовой доле от 10 до 32%)
Список изменений: №1 от 01.04.1989 (рег. 29.09.1988) «Срок действия продлен»


ГОСТ 25702.10-83
ГОСТ 25702.10-83
ГОСТ 25702.10-83
ГОСТ 25702.10-83
ГОСТ 25702.10-83
Автор: 
Домашняя страница автора: 

ГОСТ 25858-83

E-mail автора: 

Меры поверхностной плотности и толщины для радиоизотопных толщиномеров проката черных металлов. Общие технические условия

Обозначение: ГОСТ 25858-83
Статус: действующий
Название рус.: Меры поверхностной плотности и толщины для радиоизотопных толщиномеров проката черных металлов. Общие технические условия
Название англ.: Surface density and thickness measures for radioisotope thickness gauges. Specifications
Дата актуализации текста: 19.06.2012
Дата актуализации описания: 19.06.2012
Дата введения в действие: 01.01.1986
Область и условия применения: Настоящий стандарт распространяется на меры поверхностной плотности и (или) толщины, предназначенные для воспроизведения поверхностной плотности в диапазоне 15000-48000 г/м кв. и (или) толщины в диапазоне 2-60 мм и применяемые при градуировке и (или) поверке радиоизотопных толщиномеров листового горячего проката черных металлов и проверке их работоспособности
Список изменений: №1 от 01.07.1991 (рег. 13.06.1990) «Срок действия продлен»


ГОСТ 25858-83
ГОСТ 25858-83
ГОСТ 25858-83
ГОСТ 25858-83
ГОСТ 25858-83
ГОСТ 25858-83
ГОСТ 25858-83
ГОСТ 25858-83
ГОСТ 25858-83
ГОСТ 25858-83
ГОСТ 25858-83
ГОСТ 25858-83
ГОСТ 25858-83
ГОСТ 25858-83
ГОСТ 25858-83
ГОСТ 25858-83
ГОСТ 25858-83
ГОСТ 25858-83
ГОСТ 25858-83
ГОСТ 25858-83
ГОСТ 25858-83
ГОСТ 25858-83
ГОСТ 25858-83
ГОСТ 25858-83
ГОСТ 25858-83
ГОСТ 25858-83
ГОСТ 25858-83
ГОСТ 25858-83
ГОСТ 25858-83
ГОСТ 25858-83
ГОСТ 25858-83
ГОСТ 25858-83
ГОСТ 25858-83
Автор: 
Домашняя страница автора: 

ГОСТ 25859-83

E-mail автора: 

Сосуды и аппараты стальные. Нормы и методы расчета на прочность при малоцикловых нагрузках

Обозначение: ГОСТ 25859-83
Статус: действующий
Название рус.: Сосуды и аппараты стальные. Нормы и методы расчета на прочность при малоцикловых нагрузках
Название англ.: Steel vessels and apparatuses. Norms and methods of fatigue strength calculation under low-cyclic loads
Дата актуализации текста: 19.06.2012
Дата актуализации описания: 19.06.2012
Дата введения в действие: 01.07.1984
Область и условия применения: Настоящий стандарт распространяется на стальные сосуды и аппараты, применяемые в химической, нефтеперерабатывающей и смежных отраслях промышленности и устанавливает нормы и методы их расчета на прочность при количестве циклов нагружения от давления, стесненности температурных деформаций или других видов нагружений от 10 в кубе до 5.10 в ст. пять за весь срок эксплуатации сосуда
Список изменений: №1 от 01.11.1990 (рег. 17.04.1990) «Срок действия продлен»


ГОСТ 25859-83
ГОСТ 25859-83
ГОСТ 25859-83
ГОСТ 25859-83
ГОСТ 25859-83
ГОСТ 25859-83
ГОСТ 25859-83
ГОСТ 25859-83
ГОСТ 25859-83
ГОСТ 25859-83
ГОСТ 25859-83
ГОСТ 25859-83
ГОСТ 25859-83
ГОСТ 25859-83
ГОСТ 25859-83
ГОСТ 25859-83
ГОСТ 25859-83
ГОСТ 25859-83
ГОСТ 25859-83
ГОСТ 25859-83
ГОСТ 25859-83
ГОСТ 25859-83
ГОСТ 25859-83
ГОСТ 25859-83
ГОСТ 25859-83
ГОСТ 25859-83
ГОСТ 25859-83
ГОСТ 25859-83
ГОСТ 25859-83
ГОСТ 25859-83
ГОСТ 25859-83
ГОСТ 25859-83
ГОСТ 25859-83
ГОСТ 25859-83
ГОСТ 25859-83
ГОСТ 25859-83
Автор: 
Домашняя страница автора: 

ГОСТ 25804.1-83

E-mail автора: 

Аппаратура, приборы, устройства и оборудование систем управления технологическими процессами атомных электростанций. Основные положения

Обозначение: ГОСТ 25804.1-83
Статус: действующий
Название рус.: Аппаратура, приборы, устройства и оборудование систем управления технологическими процессами атомных электростанций. Основные положения
Название англ.: Atomic power station technological processes control system equipment. General
Дата актуализации текста: 19.06.2012
Дата актуализации описания: 19.06.2012
Дата введения в действие: 01.01.1984
Область и условия применения: Настоящий стандарт устанавливает цель и назначение, область распространения и сферу действия комплекса государственных стандартов на аппаратуру, приборы, устройства и оборудование систем управления технологическими процессами атомных электростанций, а также классификацию этой аппаратуры


ГОСТ 25804.1-83
ГОСТ 25804.1-83
ГОСТ 25804.1-83
ГОСТ 25804.1-83
ГОСТ 25804.1-83
ГОСТ 25804.1-83
ГОСТ 25804.1-83
ГОСТ 25804.1-83
ГОСТ 25804.1-83
ГОСТ 25804.1-83
ГОСТ 25804.1-83
ГОСТ 25804.1-83
ГОСТ 25804.1-83
ГОСТ 25804.1-83
ГОСТ 25804.1-83
ГОСТ 25804.1-83
ГОСТ 25804.1-83
ГОСТ 25804.1-83
Автор: 
Домашняя страница автора: 

Страницы