Наша группа Вконтакте vk.com/4ertimcom
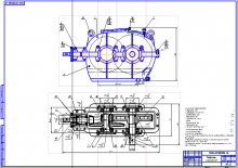
Конический редуктор
Описание:
Назначение редуктора – понижение угловой скорости и соответственно повышение вращающего момента ведомого вала по сравнению с ведущим валом.
Автор: Prekrasno
- Редуктора
- Компас
- Войдите или зарегистрируйтесь, чтобы отправлять комментарии
Чертежи бесплатно