Наша группа Вконтакте vk.com/4ertimcom

ГОСТ 50000-54999

ГОСТ Р 51567-2000

E-mail автора: 

Жезл регулировщика. Общие технические условия

Обозначение: ГОСТ Р 51567-2000
Статус: действующий
Название рус.: Жезл регулировщика. Общие технические условия
Название англ.: Staff of traffic-controller. General specifications
Дата актуализации текста: 19.06.2012
Дата актуализации описания: 19.06.2012
Дата введения в действие: 01.01.2001
Область и условия применения: Настоящий стандарт распространяется на жезлы регулировщика, предназначенные для регулирования дорожного движения, и устанавливает общие технические требования, правила приемки и методы испытаний


ГОСТ Р 51567-2000
ГОСТ Р 51567-2000
ГОСТ Р 51567-2000
ГОСТ Р 51567-2000
ГОСТ Р 51567-2000
ГОСТ Р 51567-2000
ГОСТ Р 51567-2000
ГОСТ Р 51567-2000
Автор: 
Домашняя страница автора: 

ГОСТ Р 50571.18-2000

E-mail автора: 

Электроустановки зданий. Часть 4. Требования по обеспечению безопасности. Глава 44. Защита от перенапряжений. Раздел 442. Защита электроустановок до 1 кВ от перенапряжений, вызванных замыканиями на землю в электроустановках выше 1 кВ

Обозначение: ГОСТ Р 50571.18-2000
Статус: действующий
Название рус.: Электроустановки зданий. Часть 4. Требования по обеспечению безопасности. Глава 44. Защита от перенапряжений. Раздел 442. Защита электроустановок до 1 кВ от перенапряжений, вызванных замыканиями на землю в электроустановках выше 1 кВ
Название англ.: Electrical installations of buildings. Part 4. Protection for safety. Chapter 44. Protection against overvoltages. Section 442. Protection of low-voltage installations against faults between high-voltage systems and earth
Дата актуализации текста: 19.06.2012
Дата актуализации описания: 19.06.2012
Дата введения в действие: 01.01.2002
Область и условия применения: Настоящий стандарт распространяется на электроустановки зданий, применяемые во всех отраслях экономики страны, независимо от их принадлежности и форм собственности, и устанавливает требования по обеспечению электробезопасности путем защиты от пренапряжений, которые могут возникнуть в электроустановках до 1 кВ из-за замыканий на землю в электроустановках выше 1 кВ. При этом электроустановки до и выше 1 кВ могут быть как электрически связанными, так и не связанными между собой
Заменяющий: ГОСТ Р 50571-4-44-2011


ГОСТ Р 50571.18-2000
ГОСТ Р 50571.18-2000
ГОСТ Р 50571.18-2000
ГОСТ Р 50571.18-2000
ГОСТ Р 50571.18-2000
ГОСТ Р 50571.18-2000
ГОСТ Р 50571.18-2000
ГОСТ Р 50571.18-2000
ГОСТ Р 50571.18-2000
ГОСТ Р 50571.18-2000
ГОСТ Р 50571.18-2000
ГОСТ Р 50571.18-2000
ГОСТ Р 50571.18-2000
ГОСТ Р 50571.18-2000
ГОСТ Р 50571.18-2000
ГОСТ Р 50571.18-2000
ГОСТ Р 50571.18-2000
ГОСТ Р 50571.18-2000
ГОСТ Р 50571.18-2000
ГОСТ Р 50571.18-2000
ГОСТ Р 50571.18-2000
ГОСТ Р 50571.18-2000
ГОСТ Р 50571.18-2000
Автор: 
Домашняя страница автора: 

ГОСТ Р 51294.4-2000

E-mail автора: 

Автоматическая идентификация. Международная уникальная идентификация транспортируемых единиц. Общие положения

Обозначение: ГОСТ Р 51294.4-2000
Статус: отменён
Название рус.: Автоматическая идентификация. Международная уникальная идентификация транспортируемых единиц. Общие положения
Название англ.: Automatic identification. International unique identification of transport units. General
Дата актуализации текста: 19.06.2012
Дата актуализации описания: 19.06.2012
Дата введения в действие: 01.01.2001
Область и условия применения: Настоящий стандарт устанавливает уникальный незначащий код, представляемый в прикрепленном к транспортируемой единице ярлыке с помощью штрихового кода или иного носителя автоматического сбора данных и называемый идентификатором транспортируемой единицы
Список изменений: №0 от 31.10.2002 (рег. 31.10.2002) «Дата введения перенесена»
№0 от 01.01.2009 (рег. 19.05.2008) «Текстовое изменение; Изменено заглавие»


ГОСТ Р 51294.4-2000
ГОСТ Р 51294.4-2000
ГОСТ Р 51294.4-2000
ГОСТ Р 51294.4-2000
ГОСТ Р 51294.4-2000
ГОСТ Р 51294.4-2000
ГОСТ Р 51294.4-2000
ГОСТ Р 51294.4-2000
ГОСТ Р 51294.4-2000
ГОСТ Р 51294.4-2000
ГОСТ Р 51294.4-2000
ГОСТ Р 51294.4-2000
Автор: 
Домашняя страница автора: 

ГОСТ Р 51660-2000

E-mail автора: 

Услуги бытовые. Услуги по ремонту обуви. Общие технические условия

Обозначение: ГОСТ Р 51660-2000
Статус: действующий
Название рус.: Услуги бытовые. Услуги по ремонту обуви. Общие технические условия
Название англ.: Services. Boots repair services. General specifications
Дата актуализации текста: 19.06.2012
Дата актуализации описания: 19.06.2012
Дата введения в действие: 01.07.2001
Область и условия применения: Настоящий стандарт распространяется на организации и индивидуальных предпринимателей, оказывающих услуги по ремонту обуви


ГОСТ Р 51660-2000
ГОСТ Р 51660-2000
ГОСТ Р 51660-2000
ГОСТ Р 51660-2000
ГОСТ Р 51660-2000
ГОСТ Р 51660-2000
ГОСТ Р 51660-2000
ГОСТ Р 51660-2000
ГОСТ Р 51660-2000
ГОСТ Р 51660-2000
ГОСТ Р 51660-2000
Автор: 
Домашняя страница автора: 

ГОСТ Р 51572-2000

E-mail автора: 

Слитки золота мерные. Технические условия

Обозначение: ГОСТ Р 51572-2000
Статус: действующий
Название рус.: Слитки золота мерные. Технические условия
Название англ.: Gold weighted bullions. Specifications
Дата актуализации текста: 19.06.2012
Дата актуализации описания: 19.06.2012
Дата введения в действие: 01.09.2000
Область и условия применения: Настоящий стандарт распространяется на мерные слитки золота массой от 1 до 1000 г, предназначенные для коммерческих и других целей


ГОСТ Р 51572-2000
ГОСТ Р 51572-2000
ГОСТ Р 51572-2000
ГОСТ Р 51572-2000
ГОСТ Р 51572-2000
ГОСТ Р 51572-2000
ГОСТ Р 51572-2000
ГОСТ Р 51572-2000
ГОСТ Р 51572-2000
ГОСТ Р 51572-2000
ГОСТ Р 51572-2000
Автор: 
Домашняя страница автора: 

ГОСТ Р 51696-2000

E-mail автора: 

Товары бытовой химии. Общие технические требования

Обозначение: ГОСТ Р 51696-2000
Статус: действующий
Название рус.: Товары бытовой химии. Общие технические требования
Название англ.: Goods of household chemistry. General technical requirements
Дата актуализации текста: 19.06.2012
Дата актуализации описания: 19.06.2012
Дата введения в действие: 01.01.2002
Область и условия применения: Настоящий стандарт распространяется на товары бытовой химии и устанавливает общие технические требования к ним
Список изменений: №1 от 01.07.2004 (рег. 26.12.2003) «Текстовое изменение; Изменены ссылочные НД»
Приложение №1: Изменение №1 к ГОСТ Р 51696-2000


ГОСТ Р 51696-2000
ГОСТ Р 51696-2000
ГОСТ Р 51696-2000
ГОСТ Р 51696-2000
ГОСТ Р 51696-2000
ГОСТ Р 51696-2000
ГОСТ Р 51696-2000
ГОСТ Р 51696-2000
ГОСТ Р 51696-2000
ГОСТ Р 51696-2000
ГОСТ Р 51696-2000
ГОСТ Р 51696-2000
ГОСТ Р 51696-2000
ГОСТ Р 51696-2000
ГОСТ Р 51696-2000


Изменение №1 к ГОСТ Р 51696-2000

Обозначение: Изменение №1 к ГОСТ Р 51696-2000
Дата введения в действие: 01.07.2004
Дата актуализации: 15.01.2008


Изменение №1 к ГОСТ Р 51696-2000
Изменение №1 к ГОСТ Р 51696-2000
Изменение №1 к ГОСТ Р 51696-2000
Изменение №1 к ГОСТ Р 51696-2000
Изменение №1 к ГОСТ Р 51696-2000
Изменение №1 к ГОСТ Р 51696-2000
Изменение №1 к ГОСТ Р 51696-2000
Автор: 
Домашняя страница автора: 

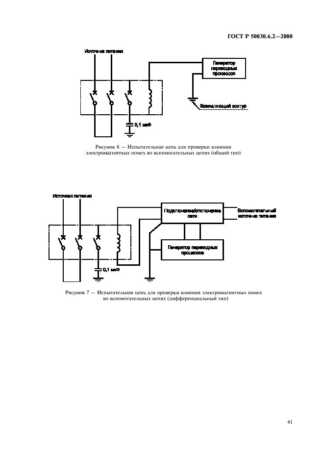
ГОСТ Р 50030.6.2-2000

E-mail автора: 

Аппаратура распределения и управления низковольтная. Часть 6. Аппаратура многофункциональная. Раздел 2. Коммутационные устройства (или оборудование) управления и защиты

Обозначение: ГОСТ Р 50030.6.2-2000
Статус: действующий
Название рус.: Аппаратура распределения и управления низковольтная. Часть 6. Аппаратура многофункциональная. Раздел 2. Коммутационные устройства (или оборудование) управления и защиты
Название англ.: Low-voltage switchgear and controlgear. Part 6. Multiple function equipment. Section 2. Control and protective switching devices (or equipment)
Дата актуализации текста: 19.06.2012
Дата актуализации описания: 19.06.2012
Дата введения в действие: 01.01.2002
Область и условия применения: Настоящий стандарт распространяется на коммутационные устройства (или оборудование) управления и защиты (КУУЗ), выводы главных цепей которых предназначены для подсоединения к цепям на номинальное напряжение не более 1000 В переменного тока или 1500 В постоянного тока
Заменяющий: ГОСТ Р 50030.6.2-2011


ГОСТ Р 50030.6.2-2000
ГОСТ Р 50030.6.2-2000
ГОСТ Р 50030.6.2-2000
ГОСТ Р 50030.6.2-2000
ГОСТ Р 50030.6.2-2000
ГОСТ Р 50030.6.2-2000
ГОСТ Р 50030.6.2-2000
ГОСТ Р 50030.6.2-2000
ГОСТ Р 50030.6.2-2000
ГОСТ Р 50030.6.2-2000
ГОСТ Р 50030.6.2-2000
ГОСТ Р 50030.6.2-2000
ГОСТ Р 50030.6.2-2000
ГОСТ Р 50030.6.2-2000
ГОСТ Р 50030.6.2-2000
ГОСТ Р 50030.6.2-2000
ГОСТ Р 50030.6.2-2000
ГОСТ Р 50030.6.2-2000
ГОСТ Р 50030.6.2-2000
ГОСТ Р 50030.6.2-2000
ГОСТ Р 50030.6.2-2000
ГОСТ Р 50030.6.2-2000
ГОСТ Р 50030.6.2-2000
ГОСТ Р 50030.6.2-2000
ГОСТ Р 50030.6.2-2000
ГОСТ Р 50030.6.2-2000
ГОСТ Р 50030.6.2-2000
ГОСТ Р 50030.6.2-2000
ГОСТ Р 50030.6.2-2000
ГОСТ Р 50030.6.2-2000
ГОСТ Р 50030.6.2-2000
ГОСТ Р 50030.6.2-2000
ГОСТ Р 50030.6.2-2000
ГОСТ Р 50030.6.2-2000
ГОСТ Р 50030.6.2-2000
ГОСТ Р 50030.6.2-2000
ГОСТ Р 50030.6.2-2000
ГОСТ Р 50030.6.2-2000
ГОСТ Р 50030.6.2-2000
ГОСТ Р 50030.6.2-2000
ГОСТ Р 50030.6.2-2000
ГОСТ Р 50030.6.2-2000
ГОСТ Р 50030.6.2-2000
ГОСТ Р 50030.6.2-2000
ГОСТ Р 50030.6.2-2000
ГОСТ Р 50030.6.2-2000
ГОСТ Р 50030.6.2-2000
ГОСТ Р 50030.6.2-2000
ГОСТ Р 50030.6.2-2000
ГОСТ Р 50030.6.2-2000
ГОСТ Р 50030.6.2-2000
ГОСТ Р 50030.6.2-2000
ГОСТ Р 50030.6.2-2000
Автор: 
Домашняя страница автора: 

ГОСТ Р 51635-2000

E-mail автора: 

Мониторы радиационные ядерных материалов. Общие технические условия

Обозначение: ГОСТ Р 51635-2000
Статус: действующий
Название рус.: Мониторы радиационные ядерных материалов. Общие технические условия
Название англ.: Nuclear material radiation monitors. General specifications
Дата актуализации текста: 19.06.2012
Дата актуализации описания: 19.06.2012
Дата введения в действие: 01.01.2001
Область и условия применения: Настоящий стандарт распространяется на радиационные мониторы, предназначенные для обнаружения ядерных материалов по их гамма - и (или) нейтронному излучению. Радиационные мониторы ядерных материалов не относятся к средствам измерений по ГОСТ 27451 и аппаратуре контроля радиационной обстановки по ГОСТ 29074.
Настоящий стандарт устанавливает общие требования к радиационным мониторам, подразделяемым на категории в зависимости от порога обнаружения, способа применения и вида контролируемого ионизирующего излучения.
Настоящий стандарт применяют при сертификации радиационных мониторов ядерных материалов
Список изменений: №1 от 01.10.2007 (рег. 29.05.2007) «Текстовое изменение; Изменены ссылочные НД»
Приложение №1: Изменение №1 к ГОСТ Р 51635-2000


ГОСТ Р 51635-2000
ГОСТ Р 51635-2000
ГОСТ Р 51635-2000
ГОСТ Р 51635-2000
ГОСТ Р 51635-2000
ГОСТ Р 51635-2000
ГОСТ Р 51635-2000
ГОСТ Р 51635-2000
ГОСТ Р 51635-2000
ГОСТ Р 51635-2000
ГОСТ Р 51635-2000
ГОСТ Р 51635-2000
ГОСТ Р 51635-2000
ГОСТ Р 51635-2000
ГОСТ Р 51635-2000
ГОСТ Р 51635-2000
ГОСТ Р 51635-2000
ГОСТ Р 51635-2000
ГОСТ Р 51635-2000
ГОСТ Р 51635-2000
ГОСТ Р 51635-2000
ГОСТ Р 51635-2000
ГОСТ Р 51635-2000
ГОСТ Р 51635-2000
ГОСТ Р 51635-2000
ГОСТ Р 51635-2000
ГОСТ Р 51635-2000
ГОСТ Р 51635-2000
ГОСТ Р 51635-2000
ГОСТ Р 51635-2000
ГОСТ Р 51635-2000
ГОСТ Р 51635-2000
ГОСТ Р 51635-2000
ГОСТ Р 51635-2000
ГОСТ Р 51635-2000
ГОСТ Р 51635-2000
ГОСТ Р 51635-2000
ГОСТ Р 51635-2000
ГОСТ Р 51635-2000
ГОСТ Р 51635-2000


Изменение №1 к ГОСТ Р 51635-2000

Обозначение: Изменение №1 к ГОСТ Р 51635-2000
Дата введения в действие: 01.10.2007
Дата актуализации: 15.01.2008


Изменение №1 к ГОСТ Р 51635-2000
Изменение №1 к ГОСТ Р 51635-2000
Изменение №1 к ГОСТ Р 51635-2000
Изменение №1 к ГОСТ Р 51635-2000
Автор: 
Домашняя страница автора: 

ГОСТ Р 51667-2000

E-mail автора: 

Щетки электрических машин. Методы определения коллекторных характеристик

Обозначение: ГОСТ Р 51667-2000
Статус: действующий
Название рус.: Щетки электрических машин. Методы определения коллекторных характеристик
Название англ.: Brushes for electrical machines. Methods for determination of the commutator characteristics
Дата актуализации текста: 19.06.2012
Дата актуализации описания: 19.06.2012
Дата введения в действие: 01.07.2001
Область и условия применения: Настоящий стандарт распространяется на щетки электрических машин и устанавливает методы определения коллекторных характеристик (общего падения напряжения на паре щеток, коэффициента трения и износа) на установках с короткозамкнутым коллектором


ГОСТ Р 51667-2000
ГОСТ Р 51667-2000
ГОСТ Р 51667-2000
ГОСТ Р 51667-2000
ГОСТ Р 51667-2000
ГОСТ Р 51667-2000
ГОСТ Р 51667-2000
ГОСТ Р 51667-2000
ГОСТ Р 51667-2000
Автор: 
Домашняя страница автора: 

ГОСТ Р 51588-2000

E-mail автора: 

Угли каменные и антрациты Кузнецкого и Горловского бассейнов для технических целей. Технические условия

Обозначение: ГОСТ Р 51588-2000
Статус: действующий
Название рус.: Угли каменные и антрациты Кузнецкого и Горловского бассейнов для технических целей. Технические условия
Название англ.: Hard coal and anthracites of Kuznetsk and Gorlovsky basins for technological purposes. Specifications
Дата актуализации текста: 19.06.2012
Дата актуализации описания: 19.06.2012
Дата введения в действие: 01.01.2002
Область и условия применения: Настоящий стандарт распространяется на каменные угли и антрациты Кузнецкого и Горловского бассейнов, предназначенные для коксования, полукоксования, изготовления активных углей, производства ферросплавов, доменного и недоменного использования взамен кокса, приготовления пылеугольного топлива для вдувания в горн доменной печи, для печей цветной металлургии, для агломерации руд черных и цветных металлов,
для производства термоантрацита, адсорбентов, электроугольной и химической промышленности, литейного производства и других целей
Список изменений: №0 от 01.01.2002 (рег. 07.12.2000) «Утратил силу в РФ»
№1 от 01.03.2002 (рег. 30.11.2001) «Поправка»
№2 от 01.01.2006 (рег. 13.10.2005) «Текстовое изменение; Изменены ссылочные НД»
Приложение №1: Изменение №1 к ГОСТ Р 51588-2000
Приложение №2: Изменение №2 к ГОСТ Р 51588-2000


ГОСТ Р 51588-2000
ГОСТ Р 51588-2000
ГОСТ Р 51588-2000
ГОСТ Р 51588-2000
ГОСТ Р 51588-2000
ГОСТ Р 51588-2000
ГОСТ Р 51588-2000
ГОСТ Р 51588-2000
ГОСТ Р 51588-2000
ГОСТ Р 51588-2000
ГОСТ Р 51588-2000
ГОСТ Р 51588-2000
ГОСТ Р 51588-2000
ГОСТ Р 51588-2000
ГОСТ Р 51588-2000


Изменение №1 к ГОСТ Р 51588-2000

Обозначение: Изменение №1 к ГОСТ Р 51588-2000
Дата введения в действие: 01.03.2002
Дата актуализации: 15.01.2008


Изменение №1 к ГОСТ Р 51588-2000
Изменение №1 к ГОСТ Р 51588-2000
Изменение №1 к ГОСТ Р 51588-2000
Изменение №1 к ГОСТ Р 51588-2000


Изменение №2 к ГОСТ Р 51588-2000

Обозначение: Изменение №2 к ГОСТ Р 51588-2000
Дата введения в действие: 01.01.2006
Дата актуализации: 15.01.2008


Изменение №2 к ГОСТ Р 51588-2000
Автор: 
Домашняя страница автора: 

Страницы