Наша группа Вконтакте vk.com/4ertimcom
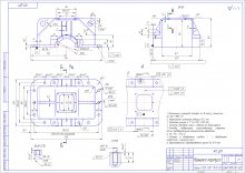
Крышка корпуса
Домашняя страница автора:
ventil98@mail.ru
Описание:
Крышка редуктора, для червячно-конического редуктора
Автор: Виталийлок
- Редуктора
- Компас 13
- Войдите или зарегистрируйтесь, чтобы отправлять комментарии
Чертежи бесплатно
Комментарии
Виталийлок
чт, 11/15/2018 - 20:27
Детали машин