Перейти к основному содержанию
Зарегистрируйтесь или Войдите

Форма поиска

Каталог чертежей и 3D моделей с бесплатным скачиваниемЧертежи бесплатно

  • Новые 100 файлов
  • покупка баллов

Вы здесь

Главная

Категории

Автомобили
Детали
Здания и помещения
Инструмент
Кораблестроение
Мебель
Разное
Редуктора
Сборочные узлы
Станки и приспособления
Телефоны
Технологические наладки
Устройства
Электрические схемы

Категория книги

Учебники по CAD
Учебники по векторной графике

ГОСТ

ГОСТ 1-999
ГОСТ 1000-1999
ГОСТ 2001-3000
ГОСТ 3001-4000
ГОСТ 4001-5000
ГОСТ 5001-6000
ГОСТ 6001-10000
ГОСТ 10001-15000
ГОСТ 12.x.xxx
ГОСТ 15000-15999
ГОСТ 16000-20000
ГОСТ 20000-24999
ГОСТ 25001-30000
ГОСТ 30000-39999
ГОСТ 50000-54999
ГОСТ 60000-69999
Отсортировать

Наша группа Вконтакте vk.com/4ertimcom

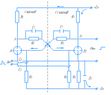
Триггер

проекты Скачать чертеж
Описание: 
Триггер
Автор: Владимир Иванович Занкевич
  • Электрические схемы
  • Компас
  • Войдите или зарегистрируйтесь, чтобы отправлять комментарии

Узнайте о чертежах

  • Вопросы и ответы
  • Каталог статей
  • Каталог чертежей
  • Форумы поддержки

Хранилище Чертежей

  • Меню
    • Новости
    • Статьи
  • Файлы
    • Чертежи
    • Программы
    • ГОСТы
    • Электронные книги