Наша группа Вконтакте vk.com/4ertimcom

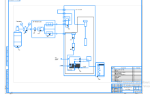
Хромотограф

проекты Скачать чертеж
Описание: 
Хромотограф

Комментарии

Хромотограф

Хромотограф для печати