Наша группа Вконтакте vk.com/4ertimcom

ГОСТ 6001-10000

ГОСТ 8258-80

E-mail автора: 

Красители органические. Лак основной розовый. Технические условия

Обозначение: ГОСТ 8258-80
Статус: действующий
Название рус.: Красители органические. Лак основной розовый. Технические условия
Название англ.: Organic dye-stuffs. Lacquer basic pink. Specifications
Дата актуализации текста: 19.06.2012
Дата актуализации описания: 19.06.2012
Дата введения в действие: 01.07.1981
Область и условия применения: Настоящий стандарт распространяется на органический краситель-лак основной розовый, предназначенный для изготовления полиграфических красок
Взамен: ГОСТ 8258-72
Список изменений: №1 от 01.01.1987 (рег. 27.06.1986) «Срок действия продлен»
№2 от 01.05.1991 (рег. 02.11.1990) «Срок действия продлен»


ГОСТ 8258-80
ГОСТ 8258-80
ГОСТ 8258-80
ГОСТ 8258-80
ГОСТ 8258-80
ГОСТ 8258-80
ГОСТ 8258-80
ГОСТ 8258-80
ГОСТ 8258-80
ГОСТ 8258-80
ГОСТ 8258-80
ГОСТ 8258-80
ГОСТ 8258-80
ГОСТ 8258-80
ГОСТ 8258-80
ГОСТ 8258-80
ГОСТ 8258-80
Автор: 
Домашняя страница автора: 

ГОСТ 6552-80

E-mail автора: 

Реактивы. Кислота ортофосфорная. Технические условия

Обозначение: ГОСТ 6552-80
Статус: действующий
Название рус.: Реактивы. Кислота ортофосфорная. Технические условия
Название англ.: Reagents. Orthophosphoric acid. Specifications
Дата актуализации текста: 19.06.2012
Дата актуализации описания: 19.06.2012
Дата введения в действие: 01.01.1982
Область и условия применения: Настоящий стандарт распространяется на ортофосфорную кислоту (кислота фосфорная), которая представляет собой бесцветную жидкость, не имеющую запаха (или прозрачные бесцветные кристаллы, расплывающиеся на воздухе)
Взамен: ГОСТ 6552-58
Список изменений: №1 от 01.12.1986 (рег. 09.07.1986) «Срок действия продлен»
№2 от 01.01.1992 (рег. 19.06.1991) «Срок действия продлен»


ГОСТ 6552-80
ГОСТ 6552-80
ГОСТ 6552-80
ГОСТ 6552-80
ГОСТ 6552-80
ГОСТ 6552-80
ГОСТ 6552-80
ГОСТ 6552-80
ГОСТ 6552-80
ГОСТ 6552-80
ГОСТ 6552-80
Автор: 
Домашняя страница автора: 

ГОСТ 7168-80

E-mail автора: 

Реактивы. Барий фтористый. Технические условия

Обозначение: ГОСТ 7168-80
Статус: действующий
Название рус.: Реактивы. Барий фтористый. Технические условия
Название англ.: Reagents. Barium fluoride. Specifications
Дата актуализации текста: 19.06.2012
Дата актуализации описания: 19.06.2012
Дата введения в действие: 01.01.1981
Область и условия применения: Настоящий стандарт распространяется на фтористый барий, который представляет собой белый порошок; мало растворим в воде, растворяется в смеси растворов соляной или азотной кислот с борной кислотой
Взамен: ГОСТ 7168-75
Список изменений: №1 от 01.05.1988 (рег. 27.11.1987) «Срок действия продлен»


ГОСТ 7168-80
ГОСТ 7168-80
ГОСТ 7168-80
ГОСТ 7168-80
ГОСТ 7168-80
ГОСТ 7168-80
ГОСТ 7168-80
Автор: 
Домашняя страница автора: 

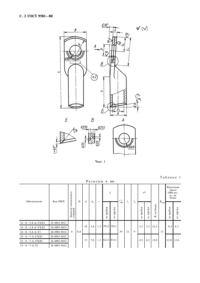
ГОСТ 9581-80

E-mail автора: 

Наконечники кабельные алюминиевые и медно-алюминиевые, закрепляемые опрессовкой. Конструкция и размеры

Обозначение: ГОСТ 9581-80
Статус: действующий
Название рус.: Наконечники кабельные алюминиевые и медно-алюминиевые, закрепляемые опрессовкой. Конструкция и размеры
Название англ.: Aluminium and copper-aluminium pressfastened thimbles. Construction and sizes
Дата актуализации текста: 19.06.2012
Дата актуализации описания: 19.06.2012
Дата введения в действие: 01.01.1983
Область и условия применения: Настоящий стандарт распространяется на алюминиевые и медно-алюминиевые кабельные наконечники, закрепляемые опрессовкой и предназначенные для оконцевания проводов и кабелей с алюминиевыми жилами сечением от 16 до 300 мм кв. на напряжение до 35 кВ
Взамен: ГОСТ 9581-68
Список изменений: №1 от 01.02.1984 (рег. 31.08.1983) «Срок действия продлен»
№2 от 01.01.1988 (рег. 16.06.1987) «Срок действия продлен»
№3 от 01.06.1997 (рег. 20.02.1997) «Срок действия продлен»
№4 от 01.08.2002 (рег. 14.02.2002) «Текстовое изменение; Изменены ссылочные НД»
Приложение №1: Изменение №4 к ГОСТ 9581-80


ГОСТ 9581-80
ГОСТ 9581-80
ГОСТ 9581-80
ГОСТ 9581-80
ГОСТ 9581-80
ГОСТ 9581-80
ГОСТ 9581-80
ГОСТ 9581-80
ГОСТ 9581-80
ГОСТ 9581-80
ГОСТ 9581-80


Изменение №4 к ГОСТ 9581-80

Обозначение: Изменение №4 к ГОСТ 9581-80
Дата введения в действие: 01.08.2002
Дата актуализации: 15.01.2008


Изменение №4 к ГОСТ 9581-80
Автор: 
Домашняя страница автора: 

ГОСТ 6031-81

E-mail автора: 

Насосы буровые. Основные параметры

Обозначение: ГОСТ 6031-81
Статус: действующий
Название рус.: Насосы буровые. Основные параметры
Название англ.: Mud pumps. Basic parameters
Дата актуализации текста: 19.06.2012
Дата актуализации описания: 19.06.2012
Дата введения в действие: 01.01.1983
Область и условия применения: Настоящий стандарт распространяется на поршневые и плунжерные буровые насосы, предназначенные для нагнетания промывочной жидкости в скважину при геологоразведочном, структурно-поисковом, эксплуатационном и глубоком разведочном бурении на нефть и газ
Взамен: ГОСТ 6031-76
Список изменений: №0 от 25.06.1987 (рег. 25.06.1987) «Срок действия продлен»
№1 от 01.04.1989 (рег. 30.09.1988) «Срок действия продлен»
№2 от 01.09.1991 (рег. 26.02.1991) «Срок действия продлен»


ГОСТ 6031-81
ГОСТ 6031-81
ГОСТ 6031-81
Автор: 
Домашняя страница автора: 

ГОСТ 8478-81

E-mail автора: 

Сетки сварные для железобетонных конструкций. Технические условия

Обозначение: ГОСТ 8478-81
Статус: действующий
Название рус.: Сетки сварные для железобетонных конструкций. Технические условия
Название англ.: Welded meshes for reinforced concrete structures. Specifications
Дата актуализации текста: 19.06.2012
Дата актуализации описания: 19.06.2012
Дата введения в действие: 01.01.1983
Область и условия применения: Настоящий стандарт распространяется на сварные рулонные сетки, изготовляемые из арматурной проволоки, расположенной в двух взаимно перпендикулярных направлениях, соединенной в местах пересечения контактной точечной сваркой, и предназначенные для армирования железобетонных конструкций.
Стандарт не распространяется на сварные сетки для армирования армоцементных конструкций
Взамен: ГОСТ 8478-66
Список изменений: №1 от 01.01.1989 (рег. 29.06.1988) «Поправка»


ГОСТ 8478-81
ГОСТ 8478-81
ГОСТ 8478-81
ГОСТ 8478-81
ГОСТ 8478-81
Автор: 
Домашняя страница автора: 

ГОСТ 7242-81

E-mail автора: 

Подшипники шариковые радиальные однорядные с защитными шайбами. Технические условия

Обозначение: ГОСТ 7242-81
Статус: действующий
Название рус.: Подшипники шариковые радиальные однорядные с защитными шайбами. Технические условия
Название англ.: Single-row radial ball bearings with shields. Specifications
Дата актуализации текста: 19.06.2012
Дата актуализации описания: 19.06.2012
Дата введения в действие: 01.01.1983
Область и условия применения: Настоящий стандарт распространяется на шариковые радиальные однорядные подшипники с защитными шайбами серий диаметров: 1; 2; 3 и 9
Взамен: ГОСТ 7242-70
Список изменений: №0 от 17.12.1987 (рег. 17.12.1987) «Срок действия продлен»
№0 от 29.06.1987 (рег. 29.06.1987) «Срок действия продлен»
№1 от 01.07.1984 (рег. 25.10.1983) «Срок действия продлен»


ГОСТ 7242-81
ГОСТ 7242-81
ГОСТ 7242-81
ГОСТ 7242-81
ГОСТ 7242-81
ГОСТ 7242-81
ГОСТ 7242-81
ГОСТ 7242-81
ГОСТ 7242-81
ГОСТ 7242-81
ГОСТ 7242-81
Автор: 
Домашняя страница автора: 

ГОСТ 9092-81

E-mail автора: 

Пряжа хлопчатобумажная для трикотажного производства. Технические условия

Обозначение: ГОСТ 9092-81
Статус: действующий
Название рус.: Пряжа хлопчатобумажная для трикотажного производства. Технические условия
Название англ.: Cotton yarn for production of knitting. Specifications
Дата актуализации текста: 19.06.2012
Дата актуализации описания: 19.06.2012
Дата введения в действие: 01.01.1982
Область и условия применения: Настоящий стандарт распространяется на хлопчатобумажную кардную и гребенную однониточную, крученную суровую и мерсеризованную пряжу, а также на пряжу из хлопкового волокна, окрашенного в массе
Взамен: ГОСТ 9092-71
Список изменений: №1 от 01.06.1986 (рег. 17.01.1986) «Срок действия продлен»


ГОСТ 9092-81
ГОСТ 9092-81
ГОСТ 9092-81
ГОСТ 9092-81
ГОСТ 9092-81
ГОСТ 9092-81
ГОСТ 9092-81
ГОСТ 9092-81
ГОСТ 9092-81
ГОСТ 9092-81
ГОСТ 9092-81
ГОСТ 9092-81
ГОСТ 9092-81
ГОСТ 9092-81
ГОСТ 9092-81
ГОСТ 9092-81
ГОСТ 9092-81
ГОСТ 9092-81
ГОСТ 9092-81
ГОСТ 9092-81
ГОСТ 9092-81
ГОСТ 9092-81
ГОСТ 9092-81
ГОСТ 9092-81
Автор: 
Домашняя страница автора: 

ГОСТ 8565-81

E-mail автора: 

Колокола ловильные геологоразведочные. Технические условия

Обозначение: ГОСТ 8565-81
Статус: действующий
Название рус.: Колокола ловильные геологоразведочные. Технические условия
Название англ.: Fishing socket. Technical conditions
Дата актуализации текста: 19.06.2012
Дата актуализации описания: 19.06.2012
Дата введения в действие: 01.01.1982
Область и условия применения: Настоящий стандарт распространяется на ловильные колокола, предназначенные для извлечения стальных бурильных труб муфтово-замкового соединения, диаметрами 42; 50; 63,5 мм, оставшихся в скважине при геологоразведочном бурении
Взамен: ГОСТ 8565-57
Список изменений: №1 от 01.04.1987 (рег. 17.12.1986) «Срок действия продлен»
№2 от 01.01.1992 (рег. 25.06.1991) «Срок действия продлен»


ГОСТ 8565-81
ГОСТ 8565-81
ГОСТ 8565-81
ГОСТ 8565-81
ГОСТ 8565-81
ГОСТ 8565-81
ГОСТ 8565-81
ГОСТ 8565-81
ГОСТ 8565-81
ГОСТ 8565-81
ГОСТ 8565-81
ГОСТ 8565-81
ГОСТ 8565-81
ГОСТ 8565-81
ГОСТ 8565-81
Автор: 
Домашняя страница автора: 

ГОСТ 6948-81

E-mail автора: 

Пенообразователь ПО-1. Технические условия

Обозначение: ГОСТ 6948-81
Статус: действующий
Название рус.: Пенообразователь ПО-1. Технические условия
Название англ.: Foaming agent ПО-1. Specifications
Дата актуализации текста: 19.06.2012
Дата актуализации описания: 19.06.2012
Дата введения в действие: 01.07.1982
Область и условия применения: Настоящий стандарт распространяется на пенообразователь ПО-1, предназначенный для получения с помощью специальной аппаратуры воздушно-механической пены для тушения пожаров
Взамен: ГОСТ 6948-70
Список изменений: №1 от 01.09.1987 (рег. 09.04.1987) «Срок действия продлен»


ГОСТ 6948-81
ГОСТ 6948-81
ГОСТ 6948-81
ГОСТ 6948-81
ГОСТ 6948-81
ГОСТ 6948-81
Автор: 
Домашняя страница автора: 

Страницы