Наша группа Вконтакте vk.com/4ertimcom
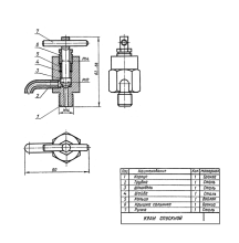
Кран спускной
Описание:
Чертеж кран спускной, каждая деталь выполнена отдельно в компасе 3д и выполнена сама сборка.
Автор: Danial Yessenov
- Инструмент
- Компас
- Войдите или зарегистрируйтесь, чтобы отправлять комментарии
Чертежи бесплатно
Комментарии
Danial Yessenov
чт, 04/04/2024 - 18:08
Кран спускной