Наша группа Вконтакте vk.com/4ertimcom
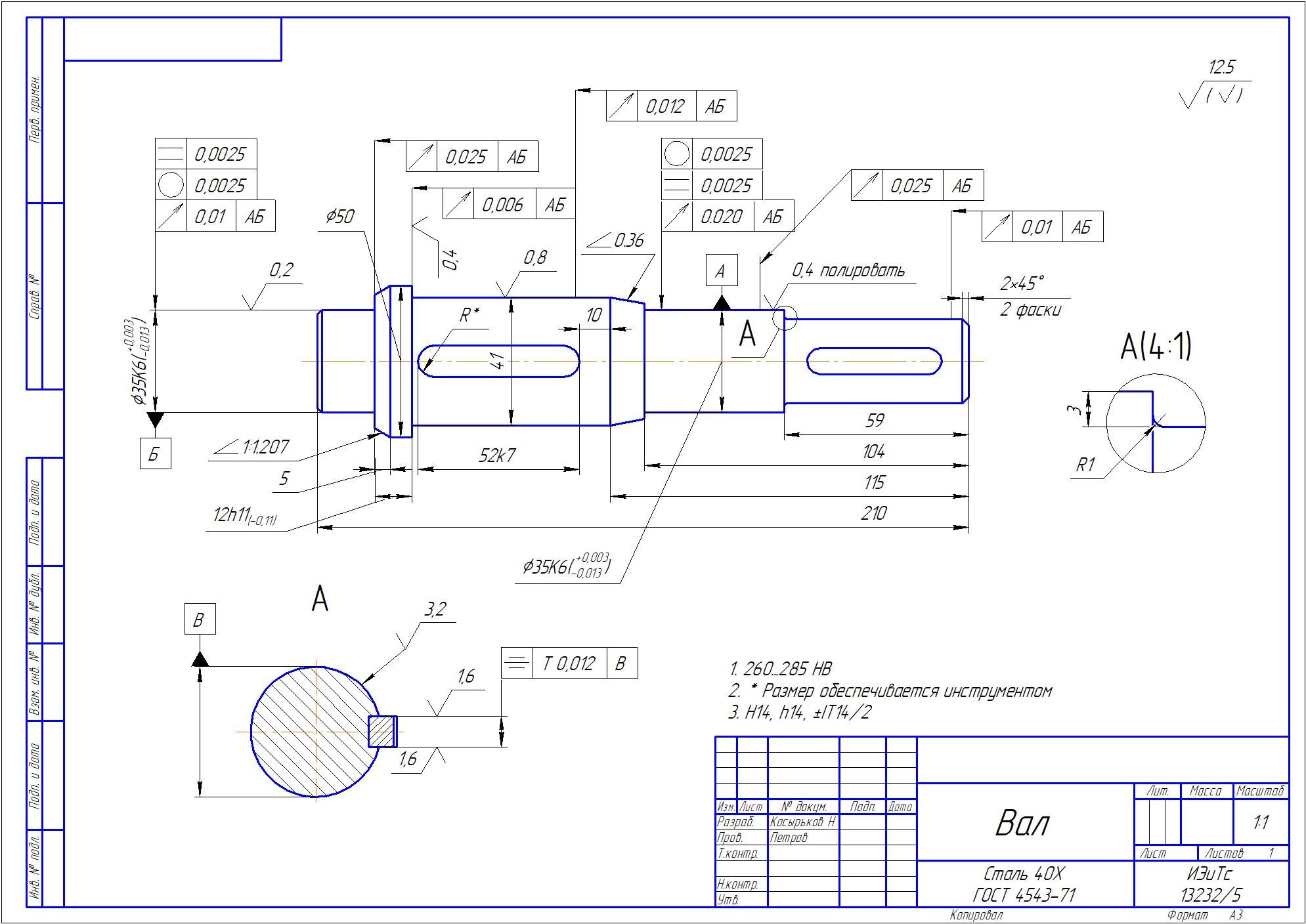
Вал
Описание:
Курсовая работа, чертёж вала со всеми необходимыми пометками для выполнения его в реальном мире
Автор: Петя222
- Детали
- Компас
- Войдите или зарегистрируйтесь, чтобы отправлять комментарии
Наша группа Вконтакте vk.com/4ertimcom
Комментарии
qngxktQeQs2mUHY
пн, 06/23/2025 - 14:07
курсовая работа