Наша группа Вконтакте vk.com/4ertimcom

ГОСТ 10001-15000

ГОСТ 13418-79

E-mail автора: 

Средства автоматизации и устройства электрические дискретные ГСП. Общие технические условия

Обозначение: ГОСТ 13418-79
Статус: действующий
Название рус.: Средства автоматизации и устройства электрические дискретные ГСП. Общие технические условия
Название англ.: Facilities of automation and instruments electric discrete SSI. General specifications
Дата актуализации текста: 19.06.2012
Дата актуализации описания: 19.06.2012
Дата введения в действие: 01.01.1981
Область и условия применения: Настоящий стандарт распространяется на средства автоматизации и устройства, в том числе на функционально законченные блоки Государственной системы промышленных приборов и средств автоматизации, использующие в качестве энергии питания электрическую энергию и в качестве носителя информации электрические сигналы с дискретно изменяющимися параметрами, изготовляемые для нужд народного хозяйства и экспорта.
В дискретном изделии, имеющем смешанную структуру (по виду энергии носителя или по способу представления информации), стандарт распространяется только на его дискретную часть.
Стандарт не распространяется на сборочные единицы дискретных изделий, входные и выходные дискретные сигналы которых не используются для информационной связи этих изделий с внешними устройствами
Взамен: ГОСТ 13418-67
Список изменений: №1 от 01.01.1983 (рег. 03.06.1982) «Срок действия продлен»
№2 от 01.01.1986 (рег. 06.12.1985) «Срок действия продлен»
№3 от 01.01.1990 (рег. 27.10.1988) «Срок действия продлен»


ГОСТ 13418-79
ГОСТ 13418-79
ГОСТ 13418-79
ГОСТ 13418-79
ГОСТ 13418-79
ГОСТ 13418-79
ГОСТ 13418-79
ГОСТ 13418-79
Автор: 
Домашняя страница автора: 

ГОСТ 14312-79

E-mail автора: 

Контакты электрические. Термины и определения

Обозначение: ГОСТ 14312-79
Статус: действующий
Название рус.: Контакты электрические. Термины и определения
Название англ.: Contacts electrical . Terms and definitions
Дата актуализации текста: 19.06.2012
Дата актуализации описания: 19.06.2012
Дата введения в действие: 01.01.1981
Область и условия применения: Настоящий стандарт устанавливает применяемые в науке, технике и производстве термины и определения понятий в области электрических контактов
Взамен: ГОСТ 14312-69


ГОСТ 14312-79
ГОСТ 14312-79
ГОСТ 14312-79
ГОСТ 14312-79
ГОСТ 14312-79
ГОСТ 14312-79
ГОСТ 14312-79
ГОСТ 14312-79
ГОСТ 14312-79
ГОСТ 14312-79
Автор: 
Домашняя страница автора: 

ГОСТ 13649-79

E-mail автора: 

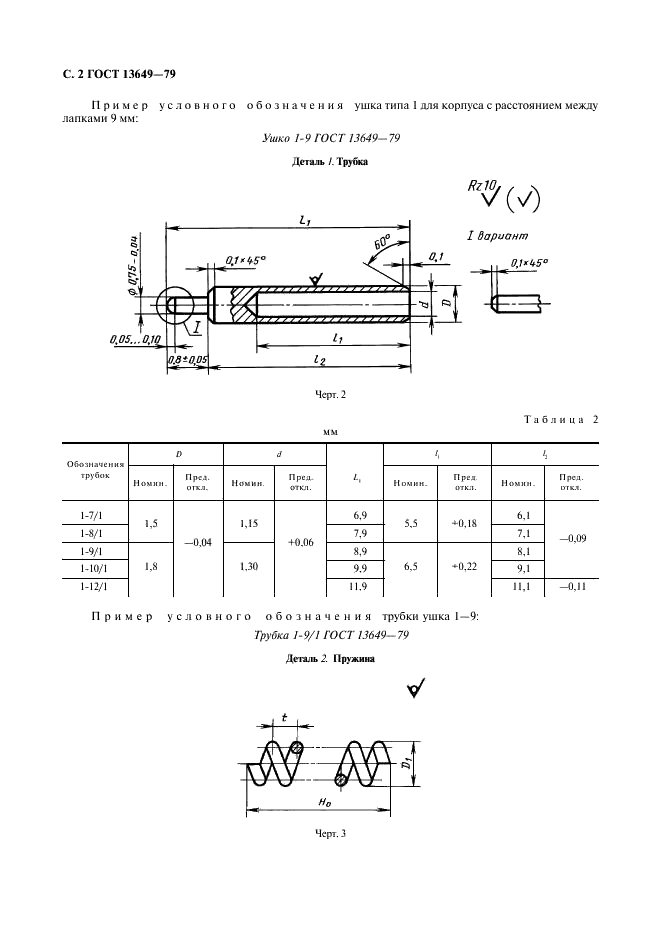
Ушки съемные для корпусов наручных часов. Конструкция и размеры

Обозначение: ГОСТ 13649-79
Статус: действующий
Название рус.: Ушки съемные для корпусов наручных часов. Конструкция и размеры
Название англ.: Spring lugs for the wrist watch cases. Design and sizes
Дата актуализации текста: 19.06.2012
Дата актуализации описания: 19.06.2012
Дата введения в действие: 01.01.1981
Область и условия применения: Настоящий стандарт распространяется на съемные ушки для корпусов наручных часов
Взамен: ГОСТ 13649-72
Список изменений: №1 от 01.02.1989 (рег. 03.08.1988) «Срок действия продлен»


ГОСТ 13649-79
ГОСТ 13649-79
ГОСТ 13649-79
ГОСТ 13649-79
ГОСТ 13649-79
ГОСТ 13649-79
ГОСТ 13649-79
ГОСТ 13649-79
ГОСТ 13649-79
Автор: 
Домашняя страница автора: 

ГОСТ 11930.2-79

E-mail автора: 

Материалы наплавочные. Метод определения серы

Обозначение: ГОСТ 11930.2-79
Статус: действующий
Название рус.: Материалы наплавочные. Метод определения серы
Название англ.: Hard-facing materials. Method of sulphur determination
Дата актуализации текста: 19.06.2012
Дата актуализации описания: 19.06.2012
Дата введения в действие: 01.07.1980
Область и условия применения: Настоящий стандарт устанавливает фототитрометрический метод определения серы (при массовой доле серы от 0,005 до 0,5%) в прутках для наплавки, порошках из сплавов для наплавки, смеси порошков для наплавки.
Метод основан на сжигании навески образца в токе кислорода при 1250-1350 град.С. Сера, находящаяся в образце, сгорает до сернистого газа, который затем в абсорбционном сосуде поглощается водой с образованием сернистой кислоты, которую оттитровывают раствором йодит-йодата в присутствии индикатора-крахмала
Взамен в части: ГОСТ 11930-66 в части разд. 7
Список изменений: №1 от 01.06.1985 (рег. 13.12.1984) «Срок действия продлен»
№2 от 01.07.1990 (рег. 20.12.1989) «Срок действия продлен»


ГОСТ 11930.2-79
ГОСТ 11930.2-79
ГОСТ 11930.2-79
ГОСТ 11930.2-79
ГОСТ 11930.2-79
ГОСТ 11930.2-79
Автор: 
Домашняя страница автора: 

ГОСТ 12072.8-79

E-mail автора: 

Кадмий. Методы определения никеля

Обозначение: ГОСТ 12072.8-79
Статус: действующий
Название рус.: Кадмий. Методы определения никеля
Название англ.: Cadmium. Methods of nickel determination
Дата актуализации текста: 19.06.2012
Дата актуализации описания: 19.06.2012
Дата введения в действие: 01.12.1980
Область и условия применения: Настоящий стандарт устанавливает фотометрический метод определения никеля (при массовой доле никеля от 0,0005 до 0,005%) и атомно-абсорбционный метод (при массовой доле никеля от 0,0008 до 0,005%)
Взамен: ГОСТ 12072.8-71
Список изменений: №1 от 01.07.1981 (рег. 27.02.1981) «Срок действия продлен»
№2 от 01.03.1985 (рег. 31.08.1984) «Срок действия продлен»
№3 от 01.01.1991 (рег. 18.07.1990) «Срок действия продлен»


ГОСТ 12072.8-79
ГОСТ 12072.8-79
ГОСТ 12072.8-79
ГОСТ 12072.8-79
Автор: 
Домашняя страница автора: 

ГОСТ 11930.0-79

E-mail автора: 

Материалы наплавочные. Общие требования к методам анализа

Обозначение: ГОСТ 11930.0-79
Статус: действующий
Название рус.: Материалы наплавочные. Общие требования к методам анализа
Название англ.: Hard-facind materials. General requirements for methods of analysis
Дата актуализации текста: 19.06.2012
Дата актуализации описания: 19.06.2012
Дата введения в действие: 01.07.1980
Область и условия применения: Настоящий стандарт устанавливает общие требования к методам анализа наплавочных материалов: прутков для наплавки, порошков из сплавов для наплавки, смеси порошков для наплавки, барида и карбида хрома
Взамен в части: ГОСТ 11930-66 в части разд. 1
Список изменений: №1 от 01.06.1985 (рег. 13.12.1984) «Срок действия продлен»
№2 от 01.07.1990 (рег. 20.12.1989) «Срок действия продлен»


ГОСТ 11930.0-79
ГОСТ 11930.0-79
ГОСТ 11930.0-79
ГОСТ 11930.0-79
ГОСТ 11930.0-79
ГОСТ 11930.0-79
ГОСТ 11930.0-79
ГОСТ 11930.0-79
ГОСТ 11930.0-79
Автор: 
Домашняя страница автора: 

ГОСТ 11930.6-79

E-mail автора: 

Материалы наплавочные. Методы определения никеля

Обозначение: ГОСТ 11930.6-79
Статус: действующий
Название рус.: Материалы наплавочные. Методы определения никеля
Название англ.: Hard-facing materials. Methods of nickel determination
Дата актуализации текста: 19.06.2012
Дата актуализации описания: 19.06.2012
Дата введения в действие: 01.07.1980
Область и условия применения: Настоящий стандарт устанавливает фотоколориметрические методы определения никеля в прутках для наплавки и порошках из сплавов для наплавки
Взамен в части: ГОСТ 11930-66 в части разд. 5
Список изменений: №1 от 01.06.1985 (рег. 13.12.1984) «Срок действия продлен»
№2 от 01.07.1990 (рег. 20.12.1989) «Срок действия продлен»


ГОСТ 11930.6-79
ГОСТ 11930.6-79
ГОСТ 11930.6-79
ГОСТ 11930.6-79
ГОСТ 11930.6-79
ГОСТ 11930.6-79
ГОСТ 11930.6-79
Автор: 
Домашняя страница автора: 

ГОСТ 12221-79

E-mail автора: 

Аппаратура для плазменно-дуговой резки металлов. Типы и основные параметры

Обозначение: ГОСТ 12221-79
Статус: действующий
Название рус.: Аппаратура для плазменно-дуговой резки металлов. Типы и основные параметры
Название англ.: Apparatus for plasma-arc cutting of metals. Types and basic parameters
Дата актуализации текста: 19.06.2012
Дата актуализации описания: 19.06.2012
Дата введения в действие: 01.01.1981
Область и условия применения: Настоящий стандарт распространяется на аппаратуру для разделительной плазменно-дуговой резки металлов
Взамен: ГОСТ 12221-71


ГОСТ 12221-79
ГОСТ 12221-79
ГОСТ 12221-79
ГОСТ 12221-79
Автор: 
Домашняя страница автора: 

ГОСТ 12817-80

E-mail автора: 

Фланцы литые из серого чугуна на Ру от 0,1 до 1,6 МПа (от 1 до 16 кгс/см кв.). Конструкция и размеры

Обозначение: ГОСТ 12817-80
Статус: действующий
Название рус.: Фланцы литые из серого чугуна на Ру от 0,1 до 1,6 МПа (от 1 до 16 кгс/см кв.). Конструкция и размеры
Название англ.: Cast grey iron flanges for Pnom from 0,1 to 1,6 MPa (from 1 to 16 kgf/sq sm). Design and dimensions
Дата актуализации текста: 19.06.2012
Дата актуализации описания: 19.06.2012
Дата введения в действие: 01.01.1983
Область и условия применения: Настоящий стандарт распространяется на фланцы литой арматуры, соединительных частей, машин, приборов, патрубков аппаратов и резервуаров из серого чугуна на условное давление Py от 0,1до 1,6 МПа (от 1 до 16 кгс/см кв.) и температуру среды от 258 до 573 К (от минус 15 до плюс 300 град. С)
Взамен: ГОСТ 1235-67 ГОСТ 12815-67 ГОСТ 12816-67
Список изменений: №1 от 01.07.1988 (рег. 25.12.1987) «Срок действия продлен»
№2 от 01.10.1992 (рег. 15.04.1992) «Срок действия продлен»


ГОСТ 12817-80
ГОСТ 12817-80
Автор: 
Домашняя страница автора: 

ГОСТ 13218.11-80

E-mail автора: 

Корпуса подшипников качения. Технические требования

Обозначение: ГОСТ 13218.11-80
Статус: действующий
Название рус.: Корпуса подшипников качения. Технические требования
Название англ.: Rolling bearings pillow blocks. Technical requirements
Дата актуализации текста: 19.06.2012
Дата актуализации описания: 19.06.2012
Дата введения в действие: 01.01.1982
Область и условия применения: Настоящий стандарт распространяется на корпуса подшипников качения
Взамен: ГОСТ 13218.11-67


ГОСТ 13218.11-80
ГОСТ 13218.11-80
ГОСТ 13218.11-80
ГОСТ 13218.11-80
ГОСТ 13218.11-80
ГОСТ 13218.11-80
Автор: 
Домашняя страница автора: 

Страницы