Наша группа Вконтакте vk.com/4ertimcom

ГОСТ 5001-6000

ГОСТ 5821-78

E-mail автора: 

Реактивы. Кислота сульфаниловая. Технические условия

Обозначение: ГОСТ 5821-78
Статус: действующий
Название рус.: Реактивы. Кислота сульфаниловая. Технические условия
Название англ.: Reagents. Sulphanilic acid. Specifications
Дата актуализации текста: 19.06.2012
Дата актуализации описания: 19.06.2012
Дата введения в действие: 01.01.1979
Область и условия применения: Настоящий стандарт распространяется на реактив - сульфаниловую кислоту, который представляет собой белые кристаллы; трудно растворим в холодной воде, почти нерастворим в спирте, эфире и бензоле, легче растворим в горячей воде, растворах едких и углекислых щелочей и хорошо растворим в аммиаке; светочувствителен
Взамен: ГОСТ 5821-69
Список изменений: №0 от 19.06.1987 (рег. 19.06.1987) «Срок действия продлен»


ГОСТ 5821-78
ГОСТ 5821-78
ГОСТ 5821-78
ГОСТ 5821-78
ГОСТ 5821-78
ГОСТ 5821-78
Автор: 
Домашняя страница автора: 

ГОСТ 5712-78

E-mail автора: 

Реактивы. Аммоний щавелевокислый 1-водный. Технические условия

Обозначение: ГОСТ 5712-78
Статус: действующий
Название рус.: Реактивы. Аммоний щавелевокислый 1-водный. Технические условия
Название англ.: Reagents. 1-aqueous ammonium oxalate. Specifications
Дата актуализации текста: 19.06.2012
Дата актуализации описания: 19.06.2012
Дата введения в действие: 01.01.1979
Область и условия применения: Настоящий стандарт распространяется на реактив - 1-водный щавелево-кислый аммоний, который представляет собой бесцветные кристаллы, растворимые в воде, метиловом и этиловом спиртах
Взамен: ГОСТ 5712-67 ГОСТ 5.1750-72
Список изменений: №1 от 01.04.1988 (рег. 19.10.1987) «Поправка»


ГОСТ 5712-78
ГОСТ 5712-78
ГОСТ 5712-78
ГОСТ 5712-78
ГОСТ 5712-78
ГОСТ 5712-78
ГОСТ 5712-78
ГОСТ 5712-78
ГОСТ 5712-78
ГОСТ 5712-78
ГОСТ 5712-78
ГОСТ 5712-78
ГОСТ 5712-78
Автор: 
Домашняя страница автора: 

ГОСТ 5855-78

E-mail автора: 

Реактивы. N, N-диметиланилин. Технические условия

Обозначение: ГОСТ 5855-78
Статус: действующий
Название рус.: Реактивы. N, N-диметиланилин. Технические условия
Название англ.: Reagents. N,N-dimethylanyline. Specifications
Дата актуализации текста: 19.06.2012
Дата актуализации описания: 19.06.2012
Дата введения в действие: 01.01.1980
Область и условия применения: Настоящий стандарт распространяется на N, N- диметиланилин, который представляет собой маслянистую бесцветную прозрачную жидкость, желеющую при стоянии; растворим в спирте, эфире, бензоле
Взамен: ГОСТ 5855-70
Список изменений: №1 от 01.08.1980 (рег. 04.04.1980) «Срок действия продлен»
№2 от 01.01.1990 (рег. 13.06.1989) «Срок действия продлен»


ГОСТ 5855-78
ГОСТ 5855-78
ГОСТ 5855-78
ГОСТ 5855-78
ГОСТ 5855-78
ГОСТ 5855-78
ГОСТ 5855-78
Автор: 
Домашняя страница автора: 

ГОСТ 5951-78

E-mail автора: 

Машины ткацкие. Рабочая ширина

Обозначение: ГОСТ 5951-78
Статус: действующий
Название рус.: Машины ткацкие. Рабочая ширина
Название англ.: Weaving machines. Working width
Дата актуализации текста: 19.06.2012
Дата актуализации описания: 19.06.2012
Дата введения в действие: 01.07.1979
Область и условия применения: Настоящий стандарт распространяется на однозевные и многозевные ткацкие машины для выработки тканей из всех волокон и устанавливает ряд значений рабочей ширины машин, изготовляемых для нужд народного хозяйства и на экспорт.
Стандарт не распространяется на ткацкие машины для выработки ленты, тесьмы, а также на круглоткацкие и других ткацкие машины специального назначения
Взамен: ГОСТ 5951-68
Список изменений: №1 от 01.07.1984 (рег. 30.06.1983) «Срок действия продлен»
№2 от 01.06.1989 (рег. 08.12.1988) «Срок действия продлен»


ГОСТ 5951-78
ГОСТ 5951-78
ГОСТ 5951-78
ГОСТ 5951-78
Автор: 
Домашняя страница автора: 

ГОСТ 5868-78

E-mail автора: 

Реактивы. Калий щавелевокислый 1-водный. Технические условия

Обозначение: ГОСТ 5868-78
Статус: действующий
Название рус.: Реактивы. Калий щавелевокислый 1-водный. Технические условия
Название англ.: Reagents. Potassium oxalate, 1-aqueous. Specifications
Дата актуализации текста: 19.06.2012
Дата актуализации описания: 19.06.2012
Дата введения в действие: 01.07.1979
Область и условия применения: Настоящий стандарт распространяется на 1-водный щавелевокислый калий, который представляет собой бесцветные кристаллы, растворимые в воде
Взамен: ГОСТ 5868-68
Список изменений: №1 от 01.03.1989 (рег. 16.09.1988) «Срок действия продлен»


ГОСТ 5868-78
ГОСТ 5868-78
ГОСТ 5868-78
ГОСТ 5868-78
ГОСТ 5868-78
ГОСТ 5868-78
ГОСТ 5868-78
ГОСТ 5868-78
ГОСТ 5868-78
ГОСТ 5868-78
Автор: 
Домашняя страница автора: 

ГОСТ 5191-79

E-mail автора: 

Резаки инжекторные для ручной кислородной резки. Типы, основные параметры и общие технические требования

Обозначение: ГОСТ 5191-79
Статус: действующий
Название рус.: Резаки инжекторные для ручной кислородной резки. Типы, основные параметры и общие технические требования
Название англ.: Injection blowpipes for manual oxy-cutting. Types, basic parameters and general technical requirements
Дата актуализации текста: 19.06.2012
Дата актуализации описания: 19.06.2012
Дата введения в действие: 01.01.1982
Область и условия применения: Настоящий стандарт распространяется на инжекторные резаки типов Р1, Р2 Р3 и наконечники для резки типов РВ1, РВ2 к сварочным горелкам для ручной кислородной разделительной резки нелегированных и низколегированных низкоуглеродистых сталей, изготовляемые для нужд народного хозяйства и для экспорта.
Стандарт не распространяется на резаки для флюсовой резки, резки горячей стали, резки литья, резки стали с загрязненной поверхностью, резки в труднодоступных местах, для резки на повышенных давлениях и расходах кислорода
Взамен: ГОСТ 5191-69
Список изменений: №1 от 01.07.1987 (рег. 17.12.1986) «Срок действия продлен»


ГОСТ 5191-79
ГОСТ 5191-79
ГОСТ 5191-79
ГОСТ 5191-79
ГОСТ 5191-79
ГОСТ 5191-79
Автор: 
Домашняя страница автора: 

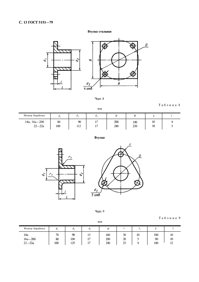
ГОСТ 5151-79

E-mail автора: 

Барабаны деревянные для электрических кабелей и проводов. Технические условия

Обозначение: ГОСТ 5151-79
Статус: действующий
Название рус.: Барабаны деревянные для электрических кабелей и проводов. Технические условия
Название англ.: Wooden drums for electrical cables and wires. Specifications
Дата актуализации текста: 19.06.2012
Дата актуализации описания: 19.06.2012
Дата введения в действие: 01.01.1980
Область и условия применения: Настоящий стандарт распространяется на деревянные барабаны, предназначенные для электрических кабелей и проводов, изготовляемых для нужд народного хозяйства и экспорта.
Стандарт не распространяется на барабаны для кабелей специального назначения
Взамен: ГОСТ 5151-71
Список изменений: №1 от 01.01.1987 (рег. 30.06.1986) «Срок действия продлен»
№2 от 01.03.1991 (рег. 24.08.1990) «Срок действия продлен»
№3 от 01.03.1999 (рег. 20.10.1998) «Срок действия продлен»


ГОСТ 5151-79
ГОСТ 5151-79
ГОСТ 5151-79
ГОСТ 5151-79
ГОСТ 5151-79
ГОСТ 5151-79
ГОСТ 5151-79
ГОСТ 5151-79
ГОСТ 5151-79
ГОСТ 5151-79
ГОСТ 5151-79
ГОСТ 5151-79
ГОСТ 5151-79
ГОСТ 5151-79
ГОСТ 5151-79
ГОСТ 5151-79
ГОСТ 5151-79
ГОСТ 5151-79
Автор: 
Домашняя страница автора: 

ГОСТ 5861-79

E-mail автора: 

Реактивы. Кобальт (II) уксуснокислый 4-водный. Технические условия

Обозначение: ГОСТ 5861-79
Статус: действующий
Название рус.: Реактивы. Кобальт (II) уксуснокислый 4-водный. Технические условия
Название англ.: Reagents. Cobalt (II) acetate, 4-aqueous. Specifications
Дата актуализации текста: 19.06.2012
Дата актуализации описания: 19.06.2012
Дата введения в действие: 01.07.1980
Область и условия применения: Настоящий стандарт распространяется на реактив - 4-водный уксуснокислый кобальт (II), который представляет собой розово-красные кристаллы; растворим в воде; неустойчив на воздухе
Взамен: ГОСТ 5861-71
Список изменений: №1 от 01.02.1985 (рег. 28.09.1984) «Срок действия продлен»
№2 от 01.03.1988 (рег. 19.10.1987) «Срок действия продлен»


ГОСТ 5861-79
ГОСТ 5861-79
ГОСТ 5861-79
ГОСТ 5861-79
ГОСТ 5861-79
ГОСТ 5861-79
ГОСТ 5861-79
ГОСТ 5861-79
ГОСТ 5861-79
ГОСТ 5861-79
ГОСТ 5861-79
Автор: 
Домашняя страница автора: 

ГОСТ 5635-80

E-mail автора: 

Рассеиватели стеклянные для автотракторных, мотоциклетных и велосипедных осветительных и светосигнальных приборов. Технические условия

Обозначение: ГОСТ 5635-80
Статус: действующий
Название рус.: Рассеиватели стеклянные для автотракторных, мотоциклетных и велосипедных осветительных и светосигнальных приборов. Технические условия
Название англ.: Glass dissipators for autotractor, motor-cycle and bicycle lighting and light signalling apparatus. Specifications
Дата актуализации текста: 19.06.2012
Дата актуализации описания: 19.06.2012
Дата введения в действие: 01.01.1981
Область и условия применения: Настоящий стандарт распространяется на стеклянные рассеиватели и линзы для автотракторных, мотоциклетных, велосипедных осветительных и светосигнальных приборов, изготовляемые для народного хозяйства и экспорта
Взамен: ГОСТ 5635-73
Список изменений: №1 от 01.06.1986 (рег. 20.12.1985) «Срок действия продлен»
№2 от 01.01.1987 (рег. 15.08.1986) «Срок действия продлен»
№3 от 01.10.1987 (рег. 27.04.1987) «Срок действия продлен»
№4 от 01.05.1988 (рег. 11.12.1987) «Срок действия продлен»
№5 от 01.06.1991 (рег. 19.12.1990) «Срок действия продлен»


ГОСТ 5635-80
ГОСТ 5635-80
ГОСТ 5635-80
ГОСТ 5635-80
ГОСТ 5635-80
ГОСТ 5635-80
ГОСТ 5635-80
ГОСТ 5635-80
ГОСТ 5635-80
ГОСТ 5635-80
Автор: 
Домашняя страница автора: 

ГОСТ 5338-80

E-mail автора: 

Мертели огнеупорные динасовые пластифицированные. Технические условия

Обозначение: ГОСТ 5338-80
Статус: действующий
Название рус.: Мертели огнеупорные динасовые пластифицированные. Технические условия
Название англ.: Refractory silica plasticized mortars. Specifications
Дата актуализации текста: 19.06.2012
Дата актуализации описания: 19.06.2012
Дата введения в действие: 01.01.1982
Область и условия применения: Настоящий стандарт распространяется на динасовые огнеупорные мертели общего назначения, предназначенные для связывания динасовых изделий в огнеупорной кладке
Взамен: ГОСТ 5338-60
Список изменений: №1 от 01.01.1987 (рег. 15.07.1986) «Срок действия продлен»
№2 от 01.01.1992 (рег. 03.04.1991) «Срок действия продлен»


ГОСТ 5338-80
ГОСТ 5338-80
ГОСТ 5338-80
ГОСТ 5338-80
ГОСТ 5338-80
ГОСТ 5338-80
ГОСТ 5338-80
ГОСТ 5338-80
ГОСТ 5338-80
Автор: 
Домашняя страница автора: 

Страницы