Наша группа Вконтакте vk.com/4ertimcom

ГОСТ 6001-10000

ГОСТ 8407-89

E-mail автора: 

Сырье вторичное резиновое. Покрышки и камеры шин. Технические условия

Обозначение: ГОСТ 8407-89
Статус: действующий
Название рус.: Сырье вторичное резиновое. Покрышки и камеры шин. Технические условия
Название англ.: Reused rubber raw materials. Tyres and inner-tubes. Specifications
Дата актуализации текста: 19.06.2012
Дата актуализации описания: 19.06.2012
Дата введения в действие: 01.01.1991
Область и условия применения: Настоящий стандарт распространяется на изношенные покрышки и камеры, непригодные для дальнейшего использования и восстановления, а также покрышки и камеры, забракованные по результатам контроля, применяемые для производства регенерата, материалов строительного и технического назначения, строительства гидротехнических сооружений, для пиролиза, сжигания в печах и термодеструкции в углеводородных средах
Взамен: ГОСТ 8407-84


ГОСТ 8407-89
ГОСТ 8407-89
ГОСТ 8407-89
ГОСТ 8407-89
ГОСТ 8407-89
ГОСТ 8407-89
ГОСТ 8407-89
Автор: 
Домашняя страница автора: 

ГОСТ 6534-89

E-mail автора: 

Шоколад. Общие технические условия

Обозначение: ГОСТ 6534-89
Статус: утратил силу в РФ
Название рус.: Шоколад. Общие технические условия
Название англ.: Chocolate. General specifications
Дата актуализации текста: 19.06.2012
Дата актуализации описания: 19.06.2012
Дата введения в действие: 01.01.1991
Область и условия применения: Настоящий стандарт распространяется на шоколад, изготовляемый для нужд народного хозяйства и экспорта
Взамен: ГОСТ 6534-69
Список изменений: №0 от 01.01.2010 (рег. 27.12.2007) «Поправка к изменению»
№1 от 01.07.1992 (рег. 19.12.1991) «Срок действия продлен»


ГОСТ 6534-89
ГОСТ 6534-89
ГОСТ 6534-89
ГОСТ 6534-89
ГОСТ 6534-89
ГОСТ 6534-89
Автор: 
Домашняя страница автора: 

ГОСТ 8249-89

E-mail автора: 

Ножницы листовые двухдисковые. Параметры

Обозначение: ГОСТ 8249-89
Статус: действующий
Название рус.: Ножницы листовые двухдисковые. Параметры
Название англ.: Two-disk sheet scissors. Parameters
Дата актуализации текста: 19.06.2012
Дата актуализации описания: 19.06.2012
Дата введения в действие: 01.07.1990
Область и условия применения: Настоящий стандарт распространяется на листовые двухдисковые ножницы для прямой, круговой и фигурной резки, отбортовки и гибки листового металла, изготовляемые для нужд народного хозяйства и экспорта
Взамен: ГОСТ 8249-84


ГОСТ 8249-89
ГОСТ 8249-89
ГОСТ 8249-89
Автор: 
Домашняя страница автора: 

ГОСТ 9335-89

E-mail автора: 

Деревообрабатывающее оборудование. Станки круглопильные для поперечной распиловки пиломатериалов. Основные параметры. Нормы точности

Обозначение: ГОСТ 9335-89
Статус: действующий
Название рус.: Деревообрабатывающее оборудование. Станки круглопильные для поперечной распиловки пиломатериалов. Основные параметры. Нормы точности
Название англ.: Woodworking machinery. Circular sawing machines for cross sawing of sawn-timber. Basic parameters. Norms of accuracy
Дата актуализации текста: 19.06.2012
Дата актуализации описания: 19.06.2012
Дата введения в действие: 01.07.1990
Область и условия применения: Настоящий стандарт распространяется на круглопильные однопильные станки с нижним и верхним расположением пил, предназначенные для поперечной распиловки (торцовки) пиломатериалов, и устанавливает основные параметры и нормы точности.
Нормы точности не распространяются на круглопильные станки для поперечного раскроя пиломатериалов лесопильных производств
Взамен: ГОСТ 9335-72
Список изменений: №1 от 01.07.1991 (рег. 20.11.1990) «Срок действия продлен»


ГОСТ 9335-89
ГОСТ 9335-89
ГОСТ 9335-89
ГОСТ 9335-89
ГОСТ 9335-89
ГОСТ 9335-89
ГОСТ 9335-89
Автор: 
Домашняя страница автора: 

ГОСТ 9542-89

E-mail автора: 

Картон обувной и детали обуви из него. Общие технические условия

Обозначение: ГОСТ 9542-89
Статус: действующий
Название рус.: Картон обувной и детали обуви из него. Общие технические условия
Название англ.: Cardboard for footwear and detailes made of the same. General specifications
Дата актуализации текста: 19.06.2012
Дата актуализации описания: 19.06.2012
Дата введения в действие: 01.01.1991
Область и условия применения: Настоящий стандарт распространяется на картон обувной и детали обуви из него (задники, стельки, полустельки, подложки, простилки, геленки, кранцы, подпяточники и другие детали)
Взамен: ГОСТ 9542-87 ГОСТ 4.421-86


ГОСТ 9542-89
ГОСТ 9542-89
ГОСТ 9542-89
ГОСТ 9542-89
ГОСТ 9542-89
ГОСТ 9542-89
ГОСТ 9542-89
ГОСТ 9542-89
ГОСТ 9542-89
ГОСТ 9542-89
ГОСТ 9542-89
ГОСТ 9542-89
ГОСТ 9542-89
ГОСТ 9542-89
ГОСТ 9542-89
ГОСТ 9542-89
ГОСТ 9542-89
ГОСТ 9542-89
Автор: 
Домашняя страница автора: 

ГОСТ 6557-89

E-mail автора: 

Кольца резиновые для пожарной соединительной арматуры. Технические условия

Обозначение: ГОСТ 6557-89
Статус: действующий
Название рус.: Кольца резиновые для пожарной соединительной арматуры. Технические условия
Название англ.: Rubber rings for connection fitting. Specifications
Дата актуализации текста: 19.06.2012
Дата актуализации описания: 19.06.2012
Дата введения в действие: 01.01.1991
Область и условия применения: Настоящий стандарт распространяется на резиновые кольца для пожарной соединительной арматуры, обеспечивающие работу узла уплотнения в воде, слабых растворах кислот и щелочей (с массовой долей до 10%) в интервале температур от минус 60 до 55 град. С, при давлении:
в напорных линиях - до 1,96 МПа (20 кгс/кв. см);
во всасывающих линиях - до 0,78 МПа (8 кгс/кв. см) и при разряжении во внутренней полости рукава не менее 0,08 МПа (600 мм рт. ст.)
Взамен: ГОСТ 6557-79


ГОСТ 6557-89
ГОСТ 6557-89
ГОСТ 6557-89
ГОСТ 6557-89
ГОСТ 6557-89
ГОСТ 6557-89
ГОСТ 6557-89
ГОСТ 6557-89
ГОСТ 6557-89
ГОСТ 6557-89
ГОСТ 6557-89
Автор: 
Домашняя страница автора: 

ГОСТ 6732.3-89

E-mail автора: 

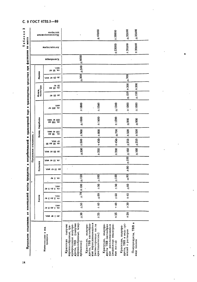
Красители органические, продукты промежуточные для красителей, вещества текстильно-вспомогательные. Упаковка

Обозначение: ГОСТ 6732.3-89
Статус: действующий
Название рус.: Красители органические, продукты промежуточные для красителей, вещества текстильно-вспомогательные. Упаковка
Название англ.: Organic dyes, intermediates for dyes, auxiliary compounds for textiles. Packing
Дата актуализации текста: 19.06.2012
Дата актуализации описания: 19.06.2012
Дата введения в действие: 01.01.1991
Область и условия применения: Настоящий стандарт распространяется на органические красители, промежуточные продукты для красителей, текстильно-вспомогательные вещества и устанавливает требования к упаковке продукции
Взамен в части: ГОСТ 6732-76 в части разд. 3


ГОСТ 6732.3-89
ГОСТ 6732.3-89
ГОСТ 6732.3-89
ГОСТ 6732.3-89
ГОСТ 6732.3-89
ГОСТ 6732.3-89
ГОСТ 6732.3-89
ГОСТ 6732.3-89
ГОСТ 6732.3-89
ГОСТ 6732.3-89
ГОСТ 6732.3-89
Автор: 
Домашняя страница автора: 

ГОСТ 6442-89

E-mail автора: 

Мармелад. Технические условия

Обозначение: ГОСТ 6442-89
Статус: действующий
Название рус.: Мармелад. Технические условия
Название англ.: Marmalade. Specifications
Дата актуализации текста: 19.06.2012
Дата актуализации описания: 19.06.2012
Дата введения в действие: 01.01.1990
Область и условия применения: Настоящий стандарт распространяется на фруктово-ягодный, желейный, желейно-фруктовый мармелад
Взамен: ГОСТ 6442-69


ГОСТ 6442-89
ГОСТ 6442-89
ГОСТ 6442-89
ГОСТ 6442-89
ГОСТ 6442-89
ГОСТ 6442-89
ГОСТ 6442-89
Автор: 
Домашняя страница автора: 

ГОСТ 9920-89

E-mail автора: 

Электроустановки переменного тока на напряжение от 3 до 750 кВ. Длина пути утечки внешней изоляции

Обозначение: ГОСТ 9920-89
Статус: действующий
Название рус.: Электроустановки переменного тока на напряжение от 3 до 750 кВ. Длина пути утечки внешней изоляции
Название англ.: A.c. electrical installations for voltage from 3 to 750 kV. Creepage distance of external insulation
Дата актуализации текста: 19.06.2012
Дата актуализации описания: 19.06.2012
Дата введения в действие: 01.07.1990
Область и условия применения: Настоящий стандарт распространяется на электроустановки, разработанные после 01.07.90, трехфазного переменного тока частоты 50 Гц классов напряжения от 3 до 750 кВ включительно, климатических исполнений У, ХЛ и Т, категорий размещения 1 по ГОСТ 15150 и устанавливает длину пути утечки внешней изоляции электроустановок наружного исполнения.
Стандарт не распространяется на:
электроустановки, в конструкции которых предусмотрены специальные меры, обеспечивающие повышение электрической прочности внешней изоляции в загрязненном состоянии;
ограничители перенапряжений;
покрышки вентильных разрядников, содержащие искровые промежутки, если эти промежутки расположены в нескольких последовательно соединенных элементах (частях) разрядников;
продольную изоляцию выключателей;
электроустановки, предназначенные для работы в испытательных медицинских, радиотехнических и других специальных установках
Взамен: ГОСТ 9920-75


ГОСТ 9920-89
ГОСТ 9920-89
ГОСТ 9920-89
ГОСТ 9920-89
ГОСТ 9920-89
ГОСТ 9920-89
ГОСТ 9920-89
Автор: 
Домашняя страница автора: 

ГОСТ 9095-89

E-mail автора: 

Бумага для печати типографская. Технические условия

Обозначение: ГОСТ 9095-89
Статус: действующий
Название рус.: Бумага для печати типографская. Технические условия
Название англ.: Printing paper. Specification
Дата актуализации текста: 19.06.2012
Дата актуализации описания: 19.06.2012
Дата введения в действие: 01.07.1990
Область и условия применения: Настоящий стандарт распространяется на бумагу, предназначенную для печатания текстовых и иллюстрационно-текстовых изданий способом высокой печати и устанавливает требования к типографской бумаге
Взамен: ГОСТ 9095-83 ГОСТ 7317-78


ГОСТ 9095-89
ГОСТ 9095-89
ГОСТ 9095-89
ГОСТ 9095-89
ГОСТ 9095-89
ГОСТ 9095-89
ГОСТ 9095-89
ГОСТ 9095-89
ГОСТ 9095-89
ГОСТ 9095-89
ГОСТ 9095-89
Автор: 
Домашняя страница автора: 

Страницы