Наша группа Вконтакте vk.com/4ertimcom

ГОСТ 6001-10000

ГОСТ 9048-69

E-mail автора: 

Болты со сферической головкой. Конструкция

Обозначение: ГОСТ 9048-69
Статус: действующий
Название рус.: Болты со сферической головкой. Конструкция
Название англ.: Spherical head bolts. Construction
Дата актуализации текста: 19.06.2012
Дата актуализации описания: 19.06.2012
Дата введения в действие: 01.07.1970
Область и условия применения: Настоящий стандарт распространяется на болты со сферической головкой, предназначенные для станочных приспособлений
Взамен: ГОСТ 9048-59
Список изменений: №1 от 01.12.1980 (рег. 30.06.1980) «Срок действия продлен»
№2 от 01.01.1990 (рег. 20.04.1989) «Поправка»


ГОСТ 9048-69
ГОСТ 9048-69
ГОСТ 9048-69
ГОСТ 9048-69
ГОСТ 9048-69
ГОСТ 9048-69
ГОСТ 9048-69
Автор: 
Домашняя страница автора: 

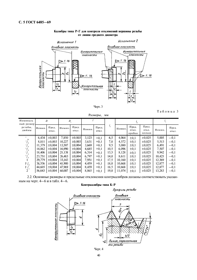
ГОСТ 6485-69

E-mail автора: 

Калибры для конической дюймовой резьбы с углом профиля 60 град. Типы. Основные размеры и допуски

Обозначение: ГОСТ 6485-69
Статус: действующий
Название рус.: Калибры для конической дюймовой резьбы с углом профиля 60 град. Типы. Основные размеры и допуски
Название англ.: Gauges for inch taper thread with 60 corner profile. Types. Basic dimensions and tolerances
Дата актуализации текста: 19.06.2012
Дата актуализации описания: 19.06.2012
Дата введения в действие: 01.07.1972
Область и условия применения: Настоящий стандарт распространяется на калибры для контроля конической дюймовой резьбы с углом профиля 60 град. по ГОСТ 6111-52
Взамен: ГОСТ 6485-53


ГОСТ 6485-69
ГОСТ 6485-69
ГОСТ 6485-69
ГОСТ 6485-69
ГОСТ 6485-69
ГОСТ 6485-69
ГОСТ 6485-69
ГОСТ 6485-69
ГОСТ 6485-69
Автор: 
Домашняя страница автора: 

ГОСТ 9057-69

E-mail автора: 

Прихваты двусторонние шарнирные. Конструкция

Обозначение: ГОСТ 9057-69
Статус: действующий
Название рус.: Прихваты двусторонние шарнирные. Конструкция
Название англ.: Double-sided swing clamp straps. Construction
Дата актуализации текста: 19.06.2012
Дата актуализации описания: 19.06.2012
Дата введения в действие: 01.07.1970
Область и условия применения: Настоящий стандарт распространяется на двусторонние прихваты, предназначенные для станочных приспособлений
Взамен: ГОСТ 9057-59
Список изменений: №1 от 01.12.1980 (рег. 30.06.1980) «Срок действия продлен»
№2 от 01.01.1990 (рег. 20.04.1989) «Поправка»


ГОСТ 9057-69
ГОСТ 9057-69
ГОСТ 9057-69
ГОСТ 9057-69
Автор: 
Домашняя страница автора: 

ГОСТ 8820-69

E-mail автора: 

Канавки для выхода шлифовального круга. Форма и размеры

Обозначение: ГОСТ 8820-69
Статус: действующий
Название рус.: Канавки для выхода шлифовального круга. Форма и размеры
Название англ.: Grinding stone exit grooves. Shape and sizes
Дата актуализации текста: 19.06.2012
Дата актуализации описания: 19.06.2012
Дата введения в действие: 01.07.1971
Область и условия применения: Настоящий стандарт распространяется на детали со шлифованными поверхностями, в конструкции которых предусмотрены канавки для выхода шлифовального круга
Взамен: ГОСТ 8820-58
Список изменений: №1 от 01.09.1980 (рег. 27.06.1980) «Срок действия продлен»


ГОСТ 8820-69
ГОСТ 8820-69
ГОСТ 8820-69
ГОСТ 8820-69
ГОСТ 8820-69
ГОСТ 8820-69
ГОСТ 8820-69
Автор: 
Домашняя страница автора: 

ГОСТ 8748-70

E-mail автора: 

Каракуль чистопородный черный невыделанный. Технические условия

Обозначение: ГОСТ 8748-70
Статус: действующий
Название рус.: Каракуль чистопородный черный невыделанный. Технические условия
Название англ.: Karakul of pure-breed black undressed. Specification
Дата актуализации текста: 19.06.2012
Дата актуализации описания: 19.06.2012
Дата введения в действие: 01.01.1972
Область и условия применения: Настоящий стандарт распространяется на невыделанные шкурки ягнят чистопородных каракульских овец черной окраски
Взамен: ГОСТ 8748-58
Список изменений: №0 от 11.02.1987 (рег. 11.02.1987) «Срок действия продлен»
№1 от 01.01.1972 (рег. 28.10.1971) «Срок действия продлен»
№2 от 01.01.1985 (рег. 29.06.1984) «Срок действия продлен»
№3 от 01.02.1987 (рег. 29.08.1986) «Срок действия продлен»


ГОСТ 8748-70
ГОСТ 8748-70
ГОСТ 8748-70
ГОСТ 8748-70
ГОСТ 8748-70
ГОСТ 8748-70
ГОСТ 8748-70
ГОСТ 8748-70
ГОСТ 8748-70
ГОСТ 8748-70
ГОСТ 8748-70
Автор: 
Домашняя страница автора: 

ГОСТ 7808-70

E-mail автора: 

Болты с шестигранной уменьшенной головкой класса точности А. Конструкция и размеры

Обозначение: ГОСТ 7808-70
Статус: действующий
Название рус.: Болты с шестигранной уменьшенной головкой класса точности А. Конструкция и размеры
Название англ.: Hexagon bolts with reduced head, product grade A. Construction and dimensions
Дата актуализации текста: 19.06.2012
Дата актуализации описания: 19.06.2012
Дата введения в действие: 01.01.1972
Область и условия применения: Настоящий стандарт распространяется на болты с шестигранной уменьшенной головкой класса точности А с диаметром резьбы от 8 до 48 мм
Взамен: ГОСТ 7808-62
Список изменений: №2 от 01.03.1974 (рег. 07.02.1974) «Срок действия продлен»
№3 от 01.07.1981 (рег. 27.03.1981) «Срок действия продлен»
№4 от 01.01.1986 (рег. 12.05.1985) «Срок действия продлен»
№5 от 01.01.1990 (рег. 28.03.1989) «Срок действия продлен»
№6 от 01.01.1996 (рег. 11.07.1995) «Срок действия продлен»


ГОСТ 7808-70
ГОСТ 7808-70
ГОСТ 7808-70
ГОСТ 7808-70
ГОСТ 7808-70
ГОСТ 7808-70
ГОСТ 7808-70
Автор: 
Домашняя страница автора: 

ГОСТ 8018-70

E-mail автора: 

Лак электроизоляционный пропиточный ГФ-95. Технические условия

Обозначение: ГОСТ 8018-70
Статус: действующий
Название рус.: Лак электроизоляционный пропиточный ГФ-95. Технические условия
Название англ.: Electrical insulating impregnating varnish ГФ-95. Specifications
Дата актуализации текста: 19.06.2012
Дата актуализации описания: 19.06.2012
Дата введения в действие: 01.01.1971
Область и условия применения: Настоящий стандарт распространяется на электроизоляционный пропиточный лак ГФ-95, представляющий собой раствор глифталевой смолы, модифицированной высыхающим или смесью высыхающего с полувысыхающим растительным маслом и канифлью в органических растворителях, с добавкой меламино-формальдегидной смолы. Лак предназначается для пропитки обмоток электрических машин, аппаратов и трансформаторов с изоляцией класса нагревостойкости В
Взамен: ГОСТ 8018-56
Список изменений: №1 от 01.08.1980 (рег. 24.03.1980) «Срок действия продлен»
№2 от 01.01.1985 (рег. 29.06.1984) «Срок действия продлен»
№3 от 01.01.1993 (рег. 24.06.1992) «Срок действия продлен»


ГОСТ 8018-70
ГОСТ 8018-70
ГОСТ 8018-70
ГОСТ 8018-70
ГОСТ 8018-70
ГОСТ 8018-70
ГОСТ 8018-70
ГОСТ 8018-70
Автор: 
Домашняя страница автора: 

ГОСТ 8756.11-70

E-mail автора: 

Продукты пререработки плодов и овощей. Методы определения прозрачности соков и экстрактов, растворимости экстрактов

Обозначение: ГОСТ 8756.11-70
Статус: действующий
Название рус.: Продукты пререработки плодов и овощей. Методы определения прозрачности соков и экстрактов, растворимости экстрактов
Название англ.: Fruit and vegetable products. Methods for determination of transparency of juices and extracts, extract solubility
Дата актуализации текста: 19.06.2012
Дата актуализации описания: 19.06.2012
Дата введения в действие: 01.07.1971
Область и условия применения: Настоящий стандарт распространяется на соки и экстракты и устанвливает методы определения прозрачности (мутности) соков и экстрактов, растворимости экстрактов
Взамен в части: ГОСТ 8756-58 в части пп. 50, 52
Заменяющий в части: ГОСТ 29059-91 в части разд. 3
Список изменений: №0 от 08.07.1987 (рег. 08.07.1987) «Срок действия продлен»
№1 от 01.06.1983 (рег. 16.11.1982) «Срок действия продлен»
№2 от 01.01.1991 (рег. 24.06.1988) «Срок действия продлен»
№3 от 01.09.1992 (рег. 07.05.1992) «Срок действия продлен»


ГОСТ 8756.11-70
ГОСТ 8756.11-70
ГОСТ 8756.11-70
Автор: 
Домашняя страница автора: 

ГОСТ 6244-70

E-mail автора: 

Лаки электроизоляционные пропиточные марок БТ-987, БТ-988. Технические условия

Обозначение: ГОСТ 6244-70
Статус: действующий
Название рус.: Лаки электроизоляционные пропиточные марок БТ-987, БТ-988. Технические условия
Название англ.: Electrical insulating impregnating varnishes БТ-987, БТ-988. Specifications
Дата актуализации текста: 19.06.2012
Дата актуализации описания: 19.06.2012
Дата введения в действие: 01.01.1971
Область и условия применения: Настоящий стандарт распространяется на электроизоляционные пропиточные лаки, представляющие собой растворы сплавов нефтяных битумов и растительных масел в органических растворителях с добавлением сиккатива
Взамен: ГОСТ 6244-52
Список изменений: №1 от 01.01.1986 (рег. 21.05.1980) «Срок действия продлен»
№2 от 01.12.1985 (рег. 20.06.1985) «Срок действия продлен»
№3 от 01.01.1991 (рег. 20.06.1990) «Срок действия продлен»


ГОСТ 6244-70
ГОСТ 6244-70
ГОСТ 6244-70
ГОСТ 6244-70
ГОСТ 6244-70
ГОСТ 6244-70
ГОСТ 6244-70
ГОСТ 6244-70
ГОСТ 6244-70
ГОСТ 6244-70
Автор: 
Домашняя страница автора: 

ГОСТ 8756.0-70

E-mail автора: 

Продукты пищевые консервированные. Отбор проб и подготовка их к испытанию

Обозначение: ГОСТ 8756.0-70
Статус: действующий
Название рус.: Продукты пищевые консервированные. Отбор проб и подготовка их к испытанию
Название англ.: Canned food products. Sampling and preparation of samples for test
Дата актуализации текста: 19.06.2012
Дата актуализации описания: 19.06.2012
Дата введения в действие: 01.07.1971
Область и условия применения: Настоящий стандарт распространяется на консервированные пищевые продукты, кроме молочных, и устанавливает правила отбора проб и подготовку их к испытанию
Взамен в части: ГОСТ 8756-58 в части отбора проб и подготовки их к испытанию
Заменяющий в части: ГОСТ 26313-84 в части плодоовощных консервированных продуктов; ГОСТ 26671-85 в части разд. 4 в части продуктов переработки плодов и овощей, консервов мясных и мясорастительных
Список изменений: №1 от 01.01.1978 (рег. 11.11.1977) «Срок действия продлен»


ГОСТ 8756.0-70
ГОСТ 8756.0-70
ГОСТ 8756.0-70
ГОСТ 8756.0-70
ГОСТ 8756.0-70
ГОСТ 8756.0-70
Автор: 
Домашняя страница автора: 

Страницы