Наша группа Вконтакте vk.com/4ertimcom

ГОСТ 6001-10000

ГОСТ 6636-69

E-mail автора: 

Основные нормы взаимозаменяемости. Нормальные линейные размеры

Обозначение: ГОСТ 6636-69
Статус: действующий
Название рус.: Основные нормы взаимозаменяемости. Нормальные линейные размеры
Название англ.: Standard linear dimensions
Дата актуализации текста: 19.06.2012
Дата актуализации описания: 19.06.2012
Дата введения в действие: 01.01.1970
Область и условия применения: Настоящий стандарт устанавливает ряды нормальных линейных размеров в диапазоне от 0,001 до 1000000 мм, предназначенные для применения в машиностроении и рекомендуемые для использования в других отраслях промышленности.
Стандарт не распространяется на технологические межоперационные размеры, связанные расчетной зависимостью с принятыми значениями других параметров; на размеры, установленные в стандартах на конкретные изделия; на оптимальные размеры, замена которых нормальными линейными размерами приведет к снижению качества продукции
Взамен: ГОСТ 6636-60
Список изменений: №1 от 01.01.1982 (рег. 16.07.1981) «Срок действия продлен»
№2 от 01.01.1990 (рег. 26.10.1988) «Поправка»


ГОСТ 6636-69
ГОСТ 6636-69
ГОСТ 6636-69
ГОСТ 6636-69
ГОСТ 6636-69
ГОСТ 6636-69
ГОСТ 6636-69
Автор: 
Домашняя страница автора: 

ГОСТ 9052-69

E-mail автора: 

Винты ступенчатые. Конструкция

Обозначение: ГОСТ 9052-69
Статус: действующий
Название рус.: Винты ступенчатые. Конструкция
Название англ.: Shouldered screws. Design
Дата актуализации текста: 19.06.2012
Дата актуализации описания: 19.06.2012
Дата введения в действие: 01.07.1970
Область и условия применения: Настоящий стандарт распространяется на ступенчатые винты, предназначенные для станочных приспособлений
Взамен: ГОСТ 9052-59
Список изменений: №1 от 01.12.1980 (рег. 30.06.1980) «Срок действия продлен»
№2 от 01.01.1990 (рег. 20.04.1989) «Поправка»


ГОСТ 9052-69
ГОСТ 9052-69
ГОСТ 9052-69
ГОСТ 9052-69
ГОСТ 9052-69
Автор: 
Домашняя страница автора: 

ГОСТ 8479-70

E-mail автора: 

Поковки из конструкционной углеродистой и легированной стали. Общие технические условия

Обозначение: ГОСТ 8479-70
Статус: действующий
Название рус.: Поковки из конструкционной углеродистой и легированной стали. Общие технические условия
Название англ.: Construction carbon and alloy steel forgings. General specification
Дата актуализации текста: 19.06.2012
Дата актуализации описания: 19.06.2012
Дата введения в действие: 01.01.1971
Область и условия применения: Настоящий стандарт распространяется на поковки общего назначения диаметром (толщиной) до 800 мм из конструкционной углеродистой, низколегированной и легированной стали, изготовляемые ковкой и горячей штамповкой.
Стандарт устанавливает группы поковок и основные технические требования к приемке и поставке их
Взамен: ГОСТ 8479-57
Список изменений: №1 от 01.04.1977 (рег. 22.03.1977) «Срок действия продлен»
№2 от 01.03.1982 (рег. 31.12.1981) «Срок действия продлен»
№3 от 01.09.1986 (рег. 01.09.1986) «Срок действия продлен»


ГОСТ 8479-70
ГОСТ 8479-70
ГОСТ 8479-70
ГОСТ 8479-70
ГОСТ 8479-70
ГОСТ 8479-70
ГОСТ 8479-70
ГОСТ 8479-70
ГОСТ 8479-70
Автор: 
Домашняя страница автора: 

ГОСТ 9024-70

E-mail автора: 

Щетки плоские с деревянными колодками сельскохозяйственных машин. Технические условия

Обозначение: ГОСТ 9024-70
Статус: действующий
Название рус.: Щетки плоские с деревянными колодками сельскохозяйственных машин. Технические условия
Название англ.: Flat brushes with wooden blocks for agricultural machines. Specifications
Дата актуализации текста: 19.06.2012
Дата актуализации описания: 19.06.2012
Дата введения в действие: 01.07.1973
Область и условия применения: Настоящий стандарт распространяется на плоские щетки с деревянными колодками, применяемые в зерноочистительных машинах, ворохоочистительных для хлопка и других машинах
Взамен: ГОСТ 9024-59
Список изменений: №1 от 01.04.1974 (рег. 15.03.1974) «Срок действия продлен»
№2 от 01.08.1980 (рег. 18.07.1980) «Срок действия продлен»
№3 от 01.07.1982 (рег. 23.02.1982) «Срок действия продлен»
№4 от 01.12.1985 (рег. 12.06.1985) «Срок действия продлен»
№5 от 01.01.1990 (рег. 08.06.1989) «Срок действия продлен»


ГОСТ 9024-70
ГОСТ 9024-70
ГОСТ 9024-70
ГОСТ 9024-70
ГОСТ 9024-70
ГОСТ 9024-70
ГОСТ 9024-70
Автор: 
Домашняя страница автора: 

ГОСТ 7796-70

E-mail автора: 

Болты с шестигранной уменьшенной головкой класса точности В. Конструкция и размеры

Обозначение: ГОСТ 7796-70
Статус: действующий
Название рус.: Болты с шестигранной уменьшенной головкой класса точности В. Конструкция и размеры
Название англ.: Hexagon reduced head bolts product grade B. Construction and dimensions
Дата актуализации текста: 19.06.2012
Дата актуализации описания: 19.06.2012
Дата введения в действие: 01.01.1972
Область и условия применения: Настоящий стандарт распространяется на болты с шестигранной уменьшенной головкой класса точности В с диаметром резьбы от 8 до 48 мм
Взамен: ГОСТ 7796-62
Список изменений: №2 от 01.03.1974 (рег. 07.02.1974) «Срок действия продлен»
№3 от 01.07.1981 (рег. 27.03.1981) «Срок действия продлен»
№4 от 01.01.1986 (рег. 12.05.1985) «Срок действия продлен»
№5 от 01.01.1990 (рег. 28.03.1989) «Срок действия продлен»
№6 от 01.01.1996 (рег. 11.07.1995) «Срок действия продлен»


ГОСТ 7796-70
ГОСТ 7796-70
ГОСТ 7796-70
ГОСТ 7796-70
ГОСТ 7796-70
ГОСТ 7796-70
ГОСТ 7796-70
ГОСТ 7796-70
Автор: 
Домашняя страница автора: 

ГОСТ 7179-70

E-mail автора: 

Шкурки песца выделанные. Технические условия

Обозначение: ГОСТ 7179-70
Статус: действующий
Название рус.: Шкурки песца выделанные. Технические условия
Название англ.: Dressed skins of polar fox. Specifications
Дата актуализации текста: 19.06.2012
Дата актуализации описания: 19.06.2012
Дата введения в действие: 01.01.1971
Область и условия применения: Настоящий стандарт распространяется на выделанные некрашеные, отбеленные и крашеные шкурки голубых и белых песцов
Взамен: ГОСТ 7179-63
Список изменений: №2 от 01.11.1974 (рег. 30.10.1974) «Срок действия продлен»
№3 от 01.09.1978 (рег. 19.06.1978) «Срок действия продлен»
№4 от 01.07.1979 (рег. 01.11.1978) «Срок действия продлен»
№5 от 01.02.1984 (рег. 31.08.1983) «Срок действия продлен»
№6 от 01.01.1988 (рег. 23.09.1986) «Срок действия продлен»
№7 от 01.01.1989 (рег. 24.06.1988) «Срок действия продлен»


ГОСТ 7179-70
ГОСТ 7179-70
ГОСТ 7179-70
ГОСТ 7179-70
ГОСТ 7179-70
ГОСТ 7179-70
ГОСТ 7179-70
Автор: 
Домашняя страница автора: 

ГОСТ 8756.17-70

E-mail автора: 

Продукты пищевые консервированные. Метод определения температуры плавления желе в мясных консервах

Обозначение: ГОСТ 8756.17-70
Статус: действующий
Название рус.: Продукты пищевые консервированные. Метод определения температуры плавления желе в мясных консервах
Название англ.: Canned food products. Method for determination of jelly-melting temperature in canned meats
Дата актуализации текста: 19.06.2012
Дата актуализации описания: 19.06.2012
Дата введения в действие: 01.07.1971
Область и условия применения: Настоящий стандарт распространяется на консервированные пищевые продукты и устанавливает метод определения температуры плавления желе в мясных консервах
Взамен в части: ГОСТ 8756-58 в части п. 44
Список изменений: №0 от 26.06.1987 (рег. 26.06.1987) «Срок действия продлен»
№0 от 25.12.1987 (рег. 25.12.1987) «Срок действия продлен»


ГОСТ 8756.17-70
Автор: 
Домашняя страница автора: 

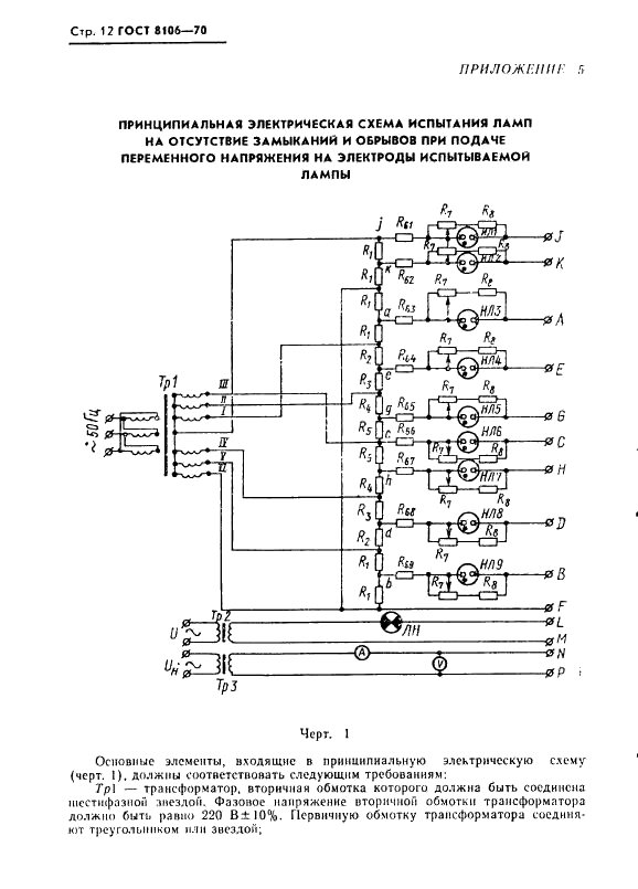
ГОСТ 8106-70

E-mail автора: 

Лампы электронные маломощные. Методы испытаний на внутриламповые замыкания и обрывы

Обозначение: ГОСТ 8106-70
Статус: действующий
Название рус.: Лампы электронные маломощные. Методы испытаний на внутриламповые замыкания и обрывы
Название англ.: Low-power vacuum valves. Methods of internal shorts and breaks tests
Дата актуализации текста: 19.06.2012
Дата актуализации описания: 19.06.2012
Дата введения в действие: 01.01.1971
Область и условия применения: Настоящий стандарт распространяется на лампы электронные мощностью рассеиваемой анодом, до 25 Вт и устанавливает: метод механического возбуждения; метод индикации при постоянных напряжения на электродах испытываемой лампы с запоминающими индикаторами; метод индикации при переменных напряжениях на электродах испытываемой лампы
Взамен: ГОСТ 8106-56
Список изменений: №2 от 01.08.1977 (рег. 30.03.1977) «Срок действия продлен»
№3 от 01.04.1979 (рег. 01.11.1978) «Срок действия продлен»
№4 от 01.02.1984 (рег. 27.10.1983) «Срок действия продлен»


ГОСТ 8106-70
ГОСТ 8106-70
ГОСТ 8106-70
ГОСТ 8106-70
ГОСТ 8106-70
ГОСТ 8106-70
ГОСТ 8106-70
ГОСТ 8106-70
ГОСТ 8106-70
ГОСТ 8106-70
ГОСТ 8106-70
ГОСТ 8106-70
ГОСТ 8106-70
ГОСТ 8106-70
ГОСТ 8106-70
ГОСТ 8106-70
ГОСТ 8106-70
Автор: 
Домашняя страница автора: 

ГОСТ 9333-70

E-mail автора: 

Кирза обувная. Технические условия

Обозначение: ГОСТ 9333-70
Статус: действующий
Название рус.: Кирза обувная. Технические условия
Название англ.: "Kirza" for footwear. Specifications
Дата актуализации текста: 19.06.2012
Дата актуализации описания: 19.06.2012
Дата введения в действие: 01.01.1971
Область и условия применения: Настоящий стандарт распространяется на искусственную кожу - обувную кирзу, представляющую собой тканевую основу - трехслойную кирзу, пропитанную дисперсиями синтетического каучука в смеси с соответствующими материалами
Взамен: ГОСТ 9333-60
Список изменений: №0 от 03.09.1987 (рег. 03.09.1987) «Срок действия продлен»
№1 от 01.01.1974 (рег. 19.11.1973) «Срок действия продлен»
№2 от 01.12.1979 (рег. 19.07.1979) «Срок действия продлен»
№3 от 01.12.1981 (рег. 13.08.1981) «Срок действия продлен»
№4 от 01.01.1984 (рег. 12.08.1983) «Срок действия продлен»


ГОСТ 9333-70
ГОСТ 9333-70
ГОСТ 9333-70
ГОСТ 9333-70
ГОСТ 9333-70
ГОСТ 9333-70
ГОСТ 9333-70
Автор: 
Домашняя страница автора: 

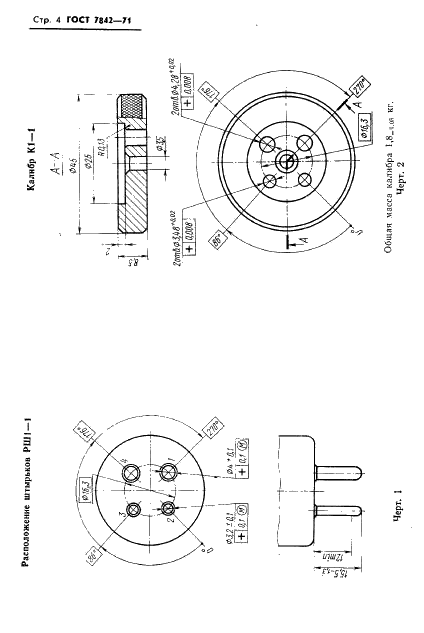
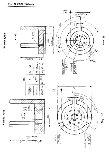
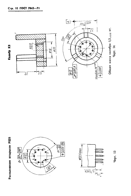
ГОСТ 7842-71

E-mail автора: 

Приборы электровакуумные. Размеры присоединительные. Расположение штырьков. Калибры

Обозначение: ГОСТ 7842-71
Статус: действующий
Название рус.: Приборы электровакуумные. Размеры присоединительные. Расположение штырьков. Калибры
Название англ.: Electronic tubes and valves. Compatibility dimensions. Pin alignment. Gauges
Дата актуализации текста: 19.06.2012
Дата актуализации описания: 19.06.2012
Дата введения в действие: 01.01.1973
Область и условия применения: Настоящий стандарт распространяется на электровакуумные приборы и устанавливает расположение штырьков, основные размеры и допускаемые отклонения, необходимые для обеспечения сопряжения с панелью, а также основные размеры приемных калибров для их проверки
Взамен: ГОСТ 7842-64


ГОСТ 7842-71
ГОСТ 7842-71
ГОСТ 7842-71
ГОСТ 7842-71
ГОСТ 7842-71
ГОСТ 7842-71
ГОСТ 7842-71
ГОСТ 7842-71
ГОСТ 7842-71
ГОСТ 7842-71
ГОСТ 7842-71
ГОСТ 7842-71
ГОСТ 7842-71
ГОСТ 7842-71
ГОСТ 7842-71
ГОСТ 7842-71
ГОСТ 7842-71
ГОСТ 7842-71
ГОСТ 7842-71
ГОСТ 7842-71
ГОСТ 7842-71
ГОСТ 7842-71
ГОСТ 7842-71
ГОСТ 7842-71
ГОСТ 7842-71
ГОСТ 7842-71
ГОСТ 7842-71
ГОСТ 7842-71
ГОСТ 7842-71
ГОСТ 7842-71
Автор: 
Домашняя страница автора: 

Страницы