Наша группа Вконтакте vk.com/4ertimcom

ГОСТ 6001-10000

ГОСТ 9733.21-83

E-mail автора: 

Материалы текстильные. Метод испытания устойчивости окраски к солям железа и меди

Обозначение: ГОСТ 9733.21-83
Статус: действующий
Название рус.: Материалы текстильные. Метод испытания устойчивости окраски к солям железа и меди
Название англ.: Textiles. Test method of colour fastness to ferric and copper salts
Дата актуализации текста: 19.06.2012
Дата актуализации описания: 19.06.2012
Дата введения в действие: 01.01.1986
Область и условия применения: Настоящий стандарт распространяется на текстильные материалы и устанавливает метод испытания устойчивости окраски к металлам: железу, меди или их солям, присутствующим в красильной ванне.
Метод основан на крашении рабочих проб шерсти в красильных ваннах, содержащих железо или медь и без них, и последующем сравнении полученных оттенков окраски
Взамен в части: ГОСТ 9733-61 в части разд. II, п. 37
Список изменений: №1 от 01.06.1988 (рег. 08.02.1988) «Срок действия продлен»


ГОСТ 9733.21-83
ГОСТ 9733.21-83
ГОСТ 9733.21-83
Автор: 
Домашняя страница автора: 

ГОСТ 6360-83

E-mail автора: 

Масла МТ-16П и М-16ПЦ. Технические условия

Обозначение: ГОСТ 6360-83
Статус: действующий
Название рус.: Масла МТ-16П и М-16ПЦ. Технические условия
Название англ.: Oils MТ-16P and М-16PC. Specifications
Дата актуализации текста: 19.06.2012
Дата актуализации описания: 19.06.2012
Дата введения в действие: 01.01.1985
Область и условия применения: Настоящий стандарт распространяется на нефтяные масла МТ-16П (код ОКП 02 5313 0401) и М-16ПЦ (код ОКП 02 5313 0402) с присадками, применяемые для смазывания дизельных двигателей
Взамен: ГОСТ 6360-58
Список изменений: №1 от 01.01.1986 (рег. 26.09.1985) «Срок действия продлен»
№2 от 01.04.1987 (рег. 02.12.1986) «Срок действия продлен»
№3 от 01.06.1989 (рег. 22.12.1988) «Поправка»
№4 от 01.01.1991 (рег. 11.06.1990) «Срок действия продлен»
№5 от 01.01.1993 (рег. 29.07.1992) «Срок действия продлен»
№6 от 01.07.2001 (рег. 16.01.2001) «Срок действия продлен»
Приложение №1: Изменение №6 к ГОСТ 6360-83


ГОСТ 6360-83
ГОСТ 6360-83
ГОСТ 6360-83
ГОСТ 6360-83


Изменение №6 к ГОСТ 6360-83

Обозначение: Изменение №6 к ГОСТ 6360-83
Дата введения в действие: 01.07.2001
Дата актуализации: 15.01.2008


Изменение №6 к ГОСТ 6360-83
Автор: 
Домашняя страница автора: 

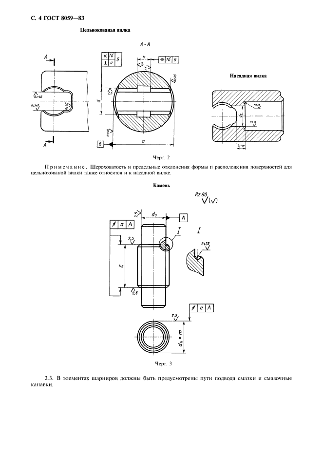
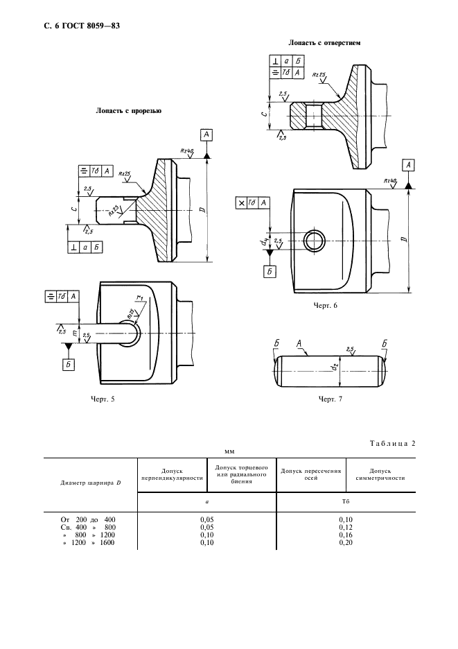
ГОСТ 8059-83

E-mail автора: 

Шарниры универсальные с вкладышами скольжения для прокатного оборудования. Основные размеры. Общие технические требования

Обозначение: ГОСТ 8059-83
Статус: действующий
Название рус.: Шарниры универсальные с вкладышами скольжения для прокатного оборудования. Основные размеры. Общие технические требования
Название англ.: Universal joints with sliding liners for rolling-mill equipment. General requirements
Дата актуализации текста: 19.06.2012
Дата актуализации описания: 19.06.2012
Дата введения в действие: 01.01.1985
Область и условия применения: Настоящий стандарт распространяется на универсальные шарниры с вкладышами скольжения, применяемые для передачи вращения от привода через шпиндели к валкам рабочих клетей и другим рабочим органам машин прокатного оборудования
Взамен: ГОСТ 8059-70 ГОСТ 8387-74
Список изменений: №1 от 01.07.1990 (рег. 25.12.1989) «Срок действия продлен»


ГОСТ 8059-83
ГОСТ 8059-83
ГОСТ 8059-83
ГОСТ 8059-83
ГОСТ 8059-83
ГОСТ 8059-83
ГОСТ 8059-83
ГОСТ 8059-83
ГОСТ 8059-83
ГОСТ 8059-83
ГОСТ 8059-83
ГОСТ 8059-83
Автор: 
Домашняя страница автора: 

ГОСТ 8051-83

E-mail автора: 

Машины стиральные бытовые. Технические условия

Обозначение: ГОСТ 8051-83
Статус: действует только в РФ
Название рус.: Машины стиральные бытовые. Технические условия
Название англ.: Domestic washing machines. Specifications
Дата актуализации текста: 19.06.2012
Дата актуализации описания: 19.06.2012
Дата введения в действие: 01.07.1984
Область и условия применения: Настоящий стандарт распространяется на стиральные бытовые машины исполнений УХЛ 4.2 или 04.2, в которых стирка осуществляется механическим перемешиванием белья в моющем растворе вращающимся лопастным диском или барабаном
Взамен: ГОСТ 8051-76
Список изменений: №1 от 01.12.1984 (рег. 31.07.1984) «Срок действия продлен»
№2 от 01.01.1986 (рег. 14.12.1984) «Срок действия продлен»
№3 от 01.04.1987 (рег. 05.03.1987) «Срок действия продлен»
№4 от 01.03.1989 (рег. 13.09.1988) «Срок действия продлен»
№5 от 01.01.1992 (рег. 11.07.1991) «Срок действия продлен»


ГОСТ 8051-83
ГОСТ 8051-83
ГОСТ 8051-83
ГОСТ 8051-83
ГОСТ 8051-83
ГОСТ 8051-83
ГОСТ 8051-83
ГОСТ 8051-83
ГОСТ 8051-83
ГОСТ 8051-83
ГОСТ 8051-83
ГОСТ 8051-83
ГОСТ 8051-83
ГОСТ 8051-83
ГОСТ 8051-83
ГОСТ 8051-83
ГОСТ 8051-83
ГОСТ 8051-83
ГОСТ 8051-83
ГОСТ 8051-83
ГОСТ 8051-83
ГОСТ 8051-83
ГОСТ 8051-83
ГОСТ 8051-83
ГОСТ 8051-83
ГОСТ 8051-83
ГОСТ 8051-83
ГОСТ 8051-83
ГОСТ 8051-83
ГОСТ 8051-83
ГОСТ 8051-83
ГОСТ 8051-83
ГОСТ 8051-83
ГОСТ 8051-83
ГОСТ 8051-83
Автор: 
Домашняя страница автора: 

ГОСТ 9733.10-83

E-mail автора: 

Материалы текстильные. Метод испытания устойчивости окраски к каплям воды

Обозначение: ГОСТ 9733.10-83
Статус: действующий
Название рус.: Материалы текстильные. Метод испытания устойчивости окраски к каплям воды
Название англ.: Textiles. Test method of colour fastness to water drops
Дата актуализации текста: 19.06.2012
Дата актуализации описания: 19.06.2012
Дата введения в действие: 01.01.1986
Область и условия применения: Настоящий стандарт распространяется на текстильные материалы и устанавливает метод испытания устойчивости окраски к каплям воды.
Метод основан на нанесении капли воды на текстильный материал
Взамен в части: ГОСТ 9733-61 в части разд. II, п. 23
Список изменений: №1 от 01.03.1988 (рег. 29.09.1987) «Срок действия продлен»
№2 от 01.01.1991 (рег. 23.03.1990) «Срок действия продлен»


ГОСТ 9733.10-83
ГОСТ 9733.10-83
ГОСТ 9733.10-83
Автор: 
Домашняя страница автора: 

ГОСТ 8320.5-83

E-mail автора: 

Профили периодические поперечно-винтовой прокатки для полувалов турбокомпрессоров. Сортамент

Обозначение: ГОСТ 8320.5-83
Статус: действующий
Название рус.: Профили периодические поперечно-винтовой прокатки для полувалов турбокомпрессоров. Сортамент
Название англ.: Periodic sections produced by cross-helical rolling for semi-shafts of turbo-compressors. Dimensions
Дата актуализации текста: 19.06.2012
Дата актуализации описания: 19.06.2012
Дата введения в действие: 01.01.1985
Область и условия применения: Настоящий стандарт распространяется на горячекатаные круглые периодические профили для полувалов турбокомпрессоров, изготовляемые поперечно-винтовой прокаткой
Взамен: ГОСТ 8320.5-73


ГОСТ 8320.5-83
Автор: 
Домашняя страница автора: 

ГОСТ 9733.9-83

E-mail автора: 

Материалы текстильные. Метод испытания устойчивости окраски к морской воде

Обозначение: ГОСТ 9733.9-83
Статус: действующий
Название рус.: Материалы текстильные. Метод испытания устойчивости окраски к морской воде
Название англ.: Textiles. Test method of colour fastness to sea water
Дата актуализации текста: 19.06.2012
Дата актуализации описания: 19.06.2012
Дата введения в действие: 01.01.1986
Область и условия применения: Настоящий стандарт распространяется на текстильные материалы и устанавливает метод испытания устойчивости окраски к морской воде.
Метод основан на обработке составной рабочей пробы раствором хлористого натрия при определенной температуре в течение заданного времени
Взамен в части: ГОСТ 9733-61 в части разд. II, п. 22
Список изменений: №1 от 01.01.1990 (рег. 14.11.1988) «Срок действия продлен»


ГОСТ 9733.9-83
ГОСТ 9733.9-83
ГОСТ 9733.9-83
ГОСТ 9733.9-83
Автор: 
Домашняя страница автора: 

ГОСТ 6697-83

E-mail автора: 

Системы электроснабжения, источники, преобразователи и приемники электрической энергии переменного тока. Номинальные частоты от 0,1 до 10000 Гц и допускаемые отклонения

Обозначение: ГОСТ 6697-83
Статус: действующий
Название рус.: Системы электроснабжения, источники, преобразователи и приемники электрической энергии переменного тока. Номинальные частоты от 0,1 до 10000 Гц и допускаемые отклонения
Название англ.: Power supply systems, sources, converters and receivers of electric alternating current energy rated frequencies from 0,1 to 10000 Hz and tolerances
Дата актуализации текста: 19.06.2012
Дата актуализации описания: 19.06.2012
Дата введения в действие: 01.01.1984
Область и условия применения: Настоящий стандарт устанавливает ряды номинальных значений и допускаемые отклонения частот систем электроснабжения, источников, преобразователей и непосредственно присоединенных к ним приемников электрической энергии, работающих в установившемся режиме на фиксированных частотах в диапазоне от 0,1 до 10000 Гц
Взамен: ГОСТ 6697-75


ГОСТ 6697-83
ГОСТ 6697-83
ГОСТ 6697-83
ГОСТ 6697-83
Автор: 
Домашняя страница автора: 

ГОСТ 9733.25-83

E-mail автора: 

Материалы текстильные. Метод испытания устойчивости окраски к обесклеиванию

Обозначение: ГОСТ 9733.25-83
Статус: действующий
Название рус.: Материалы текстильные. Метод испытания устойчивости окраски к обесклеиванию
Название англ.: Textiles. Test method of colour fastness to degumming
Дата актуализации текста: 19.06.2012
Дата актуализации описания: 19.06.2012
Дата введения в действие: 01.01.1986
Область и условия применения: Настоящий стандарт распространяется на текстильные материалы и устанавливает метод испытания устойчивости окраски к обесклеиванию.
Метод основан на обработке испытуемой рабочей пробы вместе с пробами неокрашенных тканей мыльным раствором, применяемым при обесклеивании шелка-сырца
Взамен в части: ГОСТ 9733-61 в части разд. II, п. 42
Список изменений: №1 от 01.06.1988 (рег. 08.02.1988) «Срок действия продлен»


ГОСТ 9733.25-83
ГОСТ 9733.25-83
ГОСТ 9733.25-83
Автор: 
Домашняя страница автора: 

ГОСТ 8837-83

E-mail автора: 

Материалы текстильные. Методы определения вязкости растворов целлюлозы

Обозначение: ГОСТ 8837-83
Статус: действующий
Название рус.: Материалы текстильные. Методы определения вязкости растворов целлюлозы
Название англ.: Linen, semilinen and cotton textiles. Methods for the determination of cellulose solution viscosity
Дата актуализации текста: 19.06.2012
Дата актуализации описания: 19.06.2012
Дата введения в действие: 01.01.1985
Область и условия применения: Настоящий стандарт распространяется на текстильные материалы чистольняные, льняные, полульняные, хлопчатобумажные и смешанные и устанавливает методы определения удельной и динамической вязкости медно-аммиачных растворов целлюлозы.
Стандарт не распространяется на текстильные материалы с отделкой синтетическими смолами
Взамен: ГОСТ 8837-58


ГОСТ 8837-83
ГОСТ 8837-83
ГОСТ 8837-83
ГОСТ 8837-83
ГОСТ 8837-83
ГОСТ 8837-83
ГОСТ 8837-83
ГОСТ 8837-83
ГОСТ 8837-83
ГОСТ 8837-83
ГОСТ 8837-83
ГОСТ 8837-83
ГОСТ 8837-83
ГОСТ 8837-83
ГОСТ 8837-83
ГОСТ 8837-83
Автор: 
Домашняя страница автора: 

Страницы