Наша группа Вконтакте vk.com/4ertimcom

ГОСТ 10001-15000

ГОСТ 13718-68

E-mail автора: 

Весы крутильные (торсионные). Методы и средства поверки

Обозначение: ГОСТ 13718-68
Статус: действующий
Название рус.: Весы крутильные (торсионные). Методы и средства поверки
Название англ.: Forque (torsional) balances. Methods and means of verification
Дата актуализации текста: 19.06.2012
Дата актуализации описания: 19.06.2012
Дата введения в действие: 01.01.1969
Область и условия применения: Настоящий стандарт распространяется на крутильные (торсионные) весы, выпускаемые из производства, ремонта и находящиеся в эксплуатации, и устанавливает методы и средства их поверки
Взамен: Инструкция 46-64 МУ 186


ГОСТ 13718-68
ГОСТ 13718-68
ГОСТ 13718-68
ГОСТ 13718-68
ГОСТ 13718-68
ГОСТ 13718-68
ГОСТ 13718-68
ГОСТ 13718-68
ГОСТ 13718-68
ГОСТ 13718-68
ГОСТ 13718-68
ГОСТ 13718-68
ГОСТ 13718-68
ГОСТ 13718-68
ГОСТ 13718-68
Автор: 
Домашняя страница автора: 

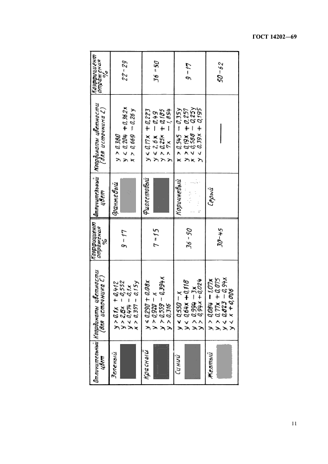
ГОСТ 14202-69

E-mail автора: 

Трубопроводы промышленных предприятий. Опознавательная окраска, предупреждающие знаки и маркировочные щитки

Обозначение: ГОСТ 14202-69
Статус: действующий
Название рус.: Трубопроводы промышленных предприятий. Опознавательная окраска, предупреждающие знаки и маркировочные щитки
Название англ.: Pipelines of industrial plants identification colouring, safety signs and marking screens
Дата актуализации текста: 19.06.2012
Дата актуализации описания: 19.06.2012
Дата введения в действие: 01.01.1970
Область и условия применения: Настоящий стандарт распространяется на опознавательную окраску, предупреждающие знаки и маркировочные щитки трубопроводов (включая соединительные части, арматуру, фасонные части и изоляцию) на проектируемых, вновь строящихся, реконструируемых и существующих промышленных предприятиях внутри зданий, на наружных установках и коммуникациях, находящихся на эстакадах и в подземных каналах с целью быстрого определения содержимого трубопроводов и облегчения управления производственными процессами, а также обеспечения безопасности труда.
Стандарт не распространяется на опознавательную окраску трубопроводов и коробов с электропроводкой,


ГОСТ 14202-69
ГОСТ 14202-69
ГОСТ 14202-69
ГОСТ 14202-69
ГОСТ 14202-69
ГОСТ 14202-69
ГОСТ 14202-69
ГОСТ 14202-69
ГОСТ 14202-69
ГОСТ 14202-69
ГОСТ 14202-69
ГОСТ 14202-69
ГОСТ 14202-69
ГОСТ 14202-69
ГОСТ 14202-69
ГОСТ 14202-69
ГОСТ 14202-69
Автор: 
Домашняя страница автора: 

ГОСТ 14895-69

E-mail автора: 

Весы вагонные образцовые. Методы и средства поверки

Обозначение: ГОСТ 14895-69
Статус: действующий
Название рус.: Весы вагонные образцовые. Методы и средства поверки
Название англ.: Standard weightbridge. Methods and means of verification
Дата актуализации текста: 19.06.2012
Дата актуализации описания: 19.06.2012
Дата введения в действие: 01.07.1970
Область и условия применения: Настоящий стандарт распространяется на вагонные образцовые весы с коромысловым указательным устройством и устанавливает методы и средства поверки весов, выпускаемых из производства, ремонта и находящихся в эксплуатации
Взамен: Инструкция 52-56


ГОСТ 14895-69
ГОСТ 14895-69
ГОСТ 14895-69
ГОСТ 14895-69
ГОСТ 14895-69
ГОСТ 14895-69
ГОСТ 14895-69
ГОСТ 14895-69
ГОСТ 14895-69
ГОСТ 14895-69
ГОСТ 14895-69
Автор: 
Домашняя страница автора: 

ГОСТ 14810-69

E-mail автора: 

Калибры-пробки гладкие двусторонние со вставками диаметром свыше 3 до 50 мм. Конструкция и размеры

Обозначение: ГОСТ 14810-69
Статус: действующий
Название рус.: Калибры-пробки гладкие двусторонние со вставками диаметром свыше 3 до 50 мм. Конструкция и размеры
Название англ.: Plain double-end plug gauges with inserts of diameter over 3 to 50 mm. Design and dimensions
Дата актуализации текста: 19.06.2012
Дата актуализации описания: 19.06.2012
Дата введения в действие: 01.01.1971
Область и условия применения: Настоящий стандарт распространяется на гладкие двусторонние калибры-пробки, предназначенные для контроля отверстий с полями допусков по ЕСДП СЭВ и по системе ОСТ
Взамен: МН 4123-62
Список изменений: №1 от 01.05.1975 (рег. 04.04.1974) «Срок действия продлен»
№2 от 01.01.1980 (рег. 17.11.1978) «Срок действия продлен»
№3 от 01.06.1984 (рег. 21.02.1984) «Срок действия продлен»


ГОСТ 14810-69
ГОСТ 14810-69
ГОСТ 14810-69
ГОСТ 14810-69
ГОСТ 14810-69
ГОСТ 14810-69
ГОСТ 14810-69
ГОСТ 14810-69
ГОСТ 14810-69
ГОСТ 14810-69
ГОСТ 14810-69
ГОСТ 14810-69
ГОСТ 14810-69
Автор: 
Домашняя страница автора: 

ГОСТ 14839.8-69

E-mail автора: 

Взрывчатые вещества промышленные. Метод определения содержания азотнокислого кальция

Обозначение: ГОСТ 14839.8-69
Статус: действующий
Название рус.: Взрывчатые вещества промышленные. Метод определения содержания азотнокислого кальция
Название англ.: Industrial explosives. Method for determination of calcium nitrate content
Дата актуализации текста: 19.06.2012
Дата актуализации описания: 19.06.2012
Дата введения в действие: 01.01.1970
Область и условия применения: Настоящий стандарт распространяется на промышленные взрывчатые вещества, выпускаемые по стандартам и техническим условиям, и устанавливает комплексонометрический метод определения содержания азотнокислого кальция
Список изменений: №1 от 01.07.1980 (рег. 24.01.1980) «Срок действия продлен»


ГОСТ 14839.8-69
ГОСТ 14839.8-69
ГОСТ 14839.8-69
Автор: 
Домашняя страница автора: 

ГОСТ 14826-69

E-mail автора: 

Калибры-пробки гладкие односторонние листовые диаметром свыше 50 до 250 мм. Конструкция и размеры

Обозначение: ГОСТ 14826-69
Статус: действующий
Название рус.: Калибры-пробки гладкие односторонние листовые диаметром свыше 50 до 250 мм. Конструкция и размеры
Название англ.: Sheet plain single-end plug gauges with diameter over 50 to 250 mm. Design and dimensions
Дата актуализации текста: 19.06.2012
Дата актуализации описания: 19.06.2012
Дата введения в действие: 01.01.1971
Область и условия применения: Настоящий стандарт распространяется на гладкие калибры-пробки, предназначенные для контроля отверстий с полями допусков по ЕСДП СЭВ 9-го и более грубых квалитетов и по системе ОСТ 3-го и более грубых классов точности
Взамен: МН 4137-62
Список изменений: №1 от 01.05.1974 (рег. 04.04.1974) «Срок действия продлен»
№2 от 01.01.1980 (рег. 17.11.1978) «Срок действия продлен»
№3 от 01.06.1984 (рег. 21.02.1984) «Срок действия продлен»


ГОСТ 14826-69
ГОСТ 14826-69
ГОСТ 14826-69
ГОСТ 14826-69
ГОСТ 14826-69
ГОСТ 14826-69
ГОСТ 14826-69
Автор: 
Домашняя страница автора: 

ГОСТ 14101-69

E-mail автора: 

Трава донника

Обозначение: ГОСТ 14101-69
Статус: действующий
Название рус.: Трава донника
Название англ.: Herba meliloti. Herb of sweet clover
Дата актуализации текста: 19.06.2012
Дата актуализации описания: 19.06.2012
Дата введения в действие: 01.05.1969
Область и условия применения: Настоящий стандарт распространяется на высушенную цельную, резаную и обмолоченную траву донника лекарственного (Меlilotus officinalis (L.) Desr.) и донника рослого (Melilotus altissimus Thuil.) семейства бобовых (Leguminosae), предназначенную для использования в качестве лекарственного сырья
Взамен: ОСТ НКВТ 7901/364
Список изменений: №0 от 27.06.1988 (рег. 27.06.1988) «Срок действия продлен»


ГОСТ 14101-69
ГОСТ 14101-69
ГОСТ 14101-69
ГОСТ 14101-69
ГОСТ 14101-69
Автор: 
Домашняя страница автора: 

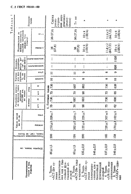
ГОСТ 14619-69

E-mail автора: 

Ткани хлопчатобумажные технические для авиационной промышленности. Технические условия

Обозначение: ГОСТ 14619-69
Статус: действующий
Название рус.: Ткани хлопчатобумажные технические для авиационной промышленности. Технические условия
Название англ.: Industrial cotton fabrics for aircraft industry. Specifications
Дата актуализации текста: 19.06.2012
Дата актуализации описания: 19.06.2012
Дата введения в действие: 01.01.1970
Область и условия применения: Настоящий стандарт распространяется на хлопчатобумажные технические ткани - суровые, расшлихтованные, гладкокрашеные и с отделкой, применяемые в авиационной промышленности для специальных целей
Взамен: ГОСТ 1883-46 ГОСТ 1877-46 ГОСТ 2328-43
Взамен в части: ГОСТ 1102-43 в части ткани АСТ-28
Список изменений: №1 от 01.03.1983 (рег. 21.10.1982) «Срок действия продлен»
№2 от 01.10.1987 (рег. 01.06.1987) «Срок действия продлен»
№3 от 01.11.1989 (рег. 05.04.1989) «Срок действия продлен»


ГОСТ 14619-69
ГОСТ 14619-69
ГОСТ 14619-69
ГОСТ 14619-69
ГОСТ 14619-69
ГОСТ 14619-69
ГОСТ 14619-69
ГОСТ 14619-69
ГОСТ 14619-69
ГОСТ 14619-69
ГОСТ 14619-69
ГОСТ 14619-69
ГОСТ 14619-69
ГОСТ 14619-69
ГОСТ 14619-69
Автор: 
Домашняя страница автора: 

ГОСТ 14766-69

E-mail автора: 

Машины и приборы для определения механических свойств материалов. Термины и определения

Обозначение: ГОСТ 14766-69
Статус: действующий
Название рус.: Машины и приборы для определения механических свойств материалов. Термины и определения
Название англ.: Machines and apparatus for determination of mechanical properties of materials. Terms and definitions
Дата актуализации текста: 19.06.2012
Дата актуализации описания: 19.06.2012
Дата введения в действие: 01.07.1970
Область и условия применения: Настоящий стандарт устанавливает термины и определения понятий в области машин и приборов, предназначенных для определения механических свойств материалов статическим и (или) переменным нагружением.
Настоящий стандарт не распространяется на термины в области узлов и деталей общего машиностроения, а также элементов электрооборудования, входящих в комплектацию машин и приборов для испытания материалов
Список изменений: №1 от 01.01.1984 (рег. 30.05.1983) «Срок действия продлен»
№2 от 01.01.1989 (рег. 27.06.1988) «Срок действия продлен»


ГОСТ 14766-69
ГОСТ 14766-69
ГОСТ 14766-69
ГОСТ 14766-69
ГОСТ 14766-69
ГОСТ 14766-69
ГОСТ 14766-69
ГОСТ 14766-69
ГОСТ 14766-69
ГОСТ 14766-69
Автор: 
Домашняя страница автора: 

ГОСТ 14340.3-69

E-mail автора: 

Провода эмалированные круглые. Методы испытания изоляции на пластичность

Обозначение: ГОСТ 14340.3-69
Статус: действующий
Название рус.: Провода эмалированные круглые. Методы испытания изоляции на пластичность
Название англ.: Enamelled round wires. Methods of the flexibility test
Дата актуализации текста: 19.06.2012
Дата актуализации описания: 19.06.2012
Дата введения в действие: 01.01.1970
Область и условия применения: Настоящий стандарт распространяется на эмалированные круглые провода и устанавливает методы испытания их изоляции на эластичность в исходном состоянии и после воздействия повышенной температуры
Список изменений: №1 от 01.12.1982 (рег. 14.07.1982) «Срок действия продлен»
№2 от 01.01.1988 (рег. 22.06.1987) «Поправка»


ГОСТ 14340.3-69
ГОСТ 14340.3-69
ГОСТ 14340.3-69
ГОСТ 14340.3-69
ГОСТ 14340.3-69
Автор: 
Домашняя страница автора: 

Страницы