Наша группа Вконтакте vk.com/4ertimcom

ГОСТ 25001-30000

ГОСТ 25227-82

E-mail автора: 

Ткани шелковые и полушелковые. Первичная упаковка и маркировка

Обозначение: ГОСТ 25227-82
Статус: действующий
Название рус.: Ткани шелковые и полушелковые. Первичная упаковка и маркировка
Название англ.: Silk and half-silk fabrics. Primary packing marking
Дата актуализации текста: 19.06.2012
Дата актуализации описания: 19.06.2012
Дата введения в действие: 01.07.1983
Область и условия применения: Настоящий стандарт распространяется на шелковые и полушелковые ткани, мерные остатки, мерный и весовой лоскут и устанавливает порядок формирования кусков тканей, их первичной упаковки и маркировки.
Стандарт не распространяется на ткани суровые, технического и специального назначения, для которых требования к упаковке предусмотрены соответствующими стандартами и действующей нормативно-технической документацией
Взамен в части: ГОСТ 12451-76 в части тканей
Заменяющий в части: ГОСТ 23432-89 в части декоративных тканей; ГОСТ 30084-93 в части разд. 3
Список изменений: №0 от 04.09.2003 (рег. 04.09.2003) «Ограничение срока действия снято»
№1 от 01.11.1985 (рег. 28.06.1985) «Срок действия продлен»
№2 от 01.01.1988 (рег. 25.06.1987) «Срок действия продлен»
Приложение №1: Изменение к ГОСТ 25227-82. Поправка к изменению


ГОСТ 25227-82
ГОСТ 25227-82
ГОСТ 25227-82
ГОСТ 25227-82
ГОСТ 25227-82
ГОСТ 25227-82
ГОСТ 25227-82
ГОСТ 25227-82
ГОСТ 25227-82
ГОСТ 25227-82
ГОСТ 25227-82
ГОСТ 25227-82
ГОСТ 25227-82
ГОСТ 25227-82
ГОСТ 25227-82
ГОСТ 25227-82


Изменение к ГОСТ 25227-82. Поправка к изменению

Обозначение: Изменение к ГОСТ 25227-82. Поправка к изменению
Дата введения в действие: 04.09.2003
Дата актуализации: 15.01.2008


Изменение к ГОСТ 25227-82. Поправка к изменению
Автор: 
Домашняя страница автора: 

ГОСТ 25500-82

E-mail автора: 

Пластики слоистые электротехнические листовые. Общие технические условия

Обозначение: ГОСТ 25500-82
Статус: действующий
Название рус.: Пластики слоистые электротехнические листовые. Общие технические условия
Название англ.: Laminated plastic sheets and plates for electrotechnical use. General specifications
Дата актуализации текста: 19.06.2012
Дата актуализации описания: 19.06.2012
Дата введения в действие: 01.07.1983
Область и условия применения: Настоящий стандарт распространяется на листовые слоистые пластики - гетинакс и текстолит и листовые стеклопластики, стеклотекстолиты, применяемые в качестве электроизоляционного материала.
Настоящий стандарт устанавливает требования к пластикам, изготовляемым для нужд народного хозяйства и экспорта
Список изменений: №1 от 01.01.1987 (рег. 24.03.1986) «Срок действия продлен»
№2 от 01.03.1993 (рег. 21.09.1992) «Срок действия продлен»
Приложение №1: Изменение №1 к ГОСТ 25500-82


ГОСТ 25500-82
ГОСТ 25500-82
ГОСТ 25500-82
ГОСТ 25500-82
ГОСТ 25500-82
ГОСТ 25500-82
ГОСТ 25500-82
ГОСТ 25500-82
ГОСТ 25500-82
ГОСТ 25500-82
ГОСТ 25500-82
ГОСТ 25500-82
ГОСТ 25500-82
ГОСТ 25500-82
ГОСТ 25500-82
ГОСТ 25500-82
ГОСТ 25500-82
ГОСТ 25500-82
ГОСТ 25500-82
ГОСТ 25500-82
ГОСТ 25500-82
ГОСТ 25500-82
ГОСТ 25500-82
ГОСТ 25500-82
ГОСТ 25500-82
ГОСТ 25500-82
ГОСТ 25500-82
ГОСТ 25500-82
ГОСТ 25500-82
ГОСТ 25500-82
ГОСТ 25500-82
ГОСТ 25500-82
ГОСТ 25500-82
ГОСТ 25500-82
ГОСТ 25500-82


Изменение №1 к ГОСТ 25500-82

Обозначение: Изменение №1 к ГОСТ 25500-82
Дата введения в действие: 01.01.1987
Дата актуализации: 15.01.2008


Изменение №1 к ГОСТ 25500-82
Изменение №1 к ГОСТ 25500-82
Автор: 
Домашняя страница автора: 

ГОСТ 25197-82

E-mail автора: 

Оборудование вакуумное. Клапаны прямые и угловые вакуумные. Установочные размеры

Обозначение: ГОСТ 25197-82
Статус: действующий
Название рус.: Оборудование вакуумное. Клапаны прямые и угловые вакуумные. Установочные размеры
Название англ.: Vacuum equipment. Direct and angle vacuum valves. Mounting dimensions
Дата актуализации текста: 19.06.2012
Дата актуализации описания: 19.06.2012
Дата введения в действие: 01.07.1983
Область и условия применения: Настоящий стандарт распространяется на прямые и угловые клапаны с фланцевыми соединениями, применяемые в вакуумных системах технологического оборудования для производства изделий электронной техники, работающие в диапазоне давлений от 10 в ст. 5 до 10 в ст. минус 5 Па, и устанавливает присоединительные и установочные размеры для клапанов с условными проходами от 10 до 400 мм ряда R5
Список изменений: №0 от 24.12.1987 (рег. 24.12.1987) «Срок действия продлен»
№1 от 01.10.1984 (рег. 29.04.1984) «Срок действия продлен»


ГОСТ 25197-82
ГОСТ 25197-82
ГОСТ 25197-82
Автор: 
Домашняя страница автора: 

ГОСТ 25526-82

E-mail автора: 

Пластины сменные режущие из быстрорежущей стали для сборных перовых сверл. Конструкция и основные размеры

Обозначение: ГОСТ 25526-82
Статус: действующий
Название рус.: Пластины сменные режущие из быстрорежущей стали для сборных перовых сверл. Конструкция и основные размеры
Название англ.: HSS throw-away cutting inserts for spade drills. Design and basic dimensions
Дата актуализации текста: 19.06.2012
Дата актуализации описания: 19.06.2012
Дата введения в действие: 01.01.1984
Область и условия применения: Настоящий стандарт устанавливает конструкцию и основные размеры пластин сменных режущих


ГОСТ 25526-82
ГОСТ 25526-82
ГОСТ 25526-82
ГОСТ 25526-82
ГОСТ 25526-82
ГОСТ 25526-82
ГОСТ 25526-82
Автор: 
Домашняя страница автора: 

ГОСТ 25495-82

E-mail автора: 

Породы горные. Метод определения диэлектрической проницаемости и тангенса угла диэлектрических потерь

Обозначение: ГОСТ 25495-82
Статус: действующий
Название рус.: Породы горные. Метод определения диэлектрической проницаемости и тангенса угла диэлектрических потерь
Название англ.: Rocks. Method for the determination of permittivity and dielektric loss tangent
Дата актуализации текста: 19.06.2012
Дата актуализации описания: 19.06.2012
Дата введения в действие: 01.01.1984
Область и условия применения: Настоящий стандарт распространяется на твердые горные породы, которые при внесении в электрическое поле измерительного конденсатора понижают добротность измерительного колебательного контура не ниже 10, и устанавливает метод определения диэлектрической проницаемости и тангенса угла диэлектрических потерь в диапазоне частот от 100 до 10000 кГц для расчетов процессов разрушения скальных горных пород с применением электромагнитных полей, геофизических исследований и контроля качества минерального сырья
Список изменений: №0 от 24.06.1988 (рег. 24.06.1988) «Срок действия продлен»


ГОСТ 25495-82
ГОСТ 25495-82
ГОСТ 25495-82
ГОСТ 25495-82
ГОСТ 25495-82
ГОСТ 25495-82
ГОСТ 25495-82
ГОСТ 25495-82
Автор: 
Домашняя страница автора: 

ГОСТ 25281-82

E-mail автора: 

Металлургия порошковая. Метод определения плотности формовок

Обозначение: ГОСТ 25281-82
Статус: действующий
Название рус.: Металлургия порошковая. Метод определения плотности формовок
Название англ.: Powder metallurgy. Method of determination of formings density
Дата актуализации текста: 19.06.2012
Дата актуализации описания: 19.06.2012
Дата введения в действие: 01.01.1983
Область и условия применения: Настоящий стандарт устанавливает метод определения плотности формовок из металлических порошков.
Стандарт не распространяется на формовки из твердых сплавов, изготовленные методом порошковой металлургии
Список изменений: №0 от 25.06.1987 (рег. 25.06.1987) «Срок действия продлен»
№1 от 01.01.2000 (рег. 07.04.1999) «Срок действия продлен»


ГОСТ 25281-82
ГОСТ 25281-82
ГОСТ 25281-82
ГОСТ 25281-82
ГОСТ 25281-82
ГОСТ 25281-82
ГОСТ 25281-82
ГОСТ 25281-82
ГОСТ 25281-82
Автор: 
Домашняя страница автора: 

ГОСТ 25119-82

E-mail автора: 

Красители органические кислотные металлсодержащие комплекса 1:2. Метод определения способности к окрашиванию волокнистых материалов

Обозначение: ГОСТ 25119-82
Статус: действующий
Название рус.: Красители органические кислотные металлсодержащие комплекса 1:2. Метод определения способности к окрашиванию волокнистых материалов
Название англ.: Oranic acid metallized (1:2) dyes. Test method of dueability of fibrous materials
Дата актуализации текста: 19.06.2012
Дата актуализации описания: 19.06.2012
Дата введения в действие: 01.01.1983
Область и условия применения: Настоящий стандарт распространяется на органические кислотные металлсодержащие красители комплекса 1:2 и устанавливает метод определения их способности окрашивать волокнистые материалы за исключением шерсти


ГОСТ 25119-82
ГОСТ 25119-82
ГОСТ 25119-82
ГОСТ 25119-82
ГОСТ 25119-82
ГОСТ 25119-82
ГОСТ 25119-82
Автор: 
Домашняя страница автора: 

ГОСТ 25176-82

E-mail автора: 

Техническая диагностика. Средства диагностирования автомобилей, тракторов, строительных и дорожных машин. Классификация. Общие технические требования

Обозначение: ГОСТ 25176-82
Статус: действующий
Название рус.: Техническая диагностика. Средства диагностирования автомобилей, тракторов, строительных и дорожных машин. Классификация. Общие технические требования
Название англ.: Technical diagnostics. Diagnosis means of motor venicles, tractors, agricultural, construction and road machinery. Classification. General technical requirements
Дата актуализации текста: 19.06.2012
Дата актуализации описания: 19.06.2012
Дата введения в действие: 01.01.1983
Область и условия применения: Настоящий стандарт распространяется на средства технического диагностирования автомобилей, тракторов, самоходных сельскохозяйственных машин, а также строительных, дорожных и других специальных машин, монтируемых на базе автомобилей и тракторов


ГОСТ 25176-82
ГОСТ 25176-82
ГОСТ 25176-82
ГОСТ 25176-82
ГОСТ 25176-82
ГОСТ 25176-82
ГОСТ 25176-82
ГОСТ 25176-82
ГОСТ 25176-82
ГОСТ 25176-82
ГОСТ 25176-82
Автор: 
Домашняя страница автора: 

ГОСТ 25502-82

E-mail автора: 

Объективы. Метод определения фотографической разрешающей способности

Обозначение: ГОСТ 25502-82
Статус: действующий
Название рус.: Объективы. Метод определения фотографической разрешающей способности
Название англ.: Objective lenses. Method for determining the photographic resolving power
Дата актуализации текста: 19.06.2012
Дата актуализации описания: 19.06.2012
Дата введения в действие: 01.01.1984
Область и условия применения: Настоящий стандарт распространяется на объективы различного назначения и устанавливает метод определения фотографической разрешающей способности.
Настоящий стандарт не распространяется на аэрообъективы и объективы специального назначения
Список изменений: №0 от 10.05.1988 (рег. 10.05.1988) «Срок действия продлен»


ГОСТ 25502-82
ГОСТ 25502-82
ГОСТ 25502-82
ГОСТ 25502-82
ГОСТ 25502-82
ГОСТ 25502-82
ГОСТ 25502-82
ГОСТ 25502-82
ГОСТ 25502-82
ГОСТ 25502-82
ГОСТ 25502-82
ГОСТ 25502-82
ГОСТ 25502-82
ГОСТ 25502-82
ГОСТ 25502-82
ГОСТ 25502-82
ГОСТ 25502-82
ГОСТ 25502-82
ГОСТ 25502-82
ГОСТ 25502-82
ГОСТ 25502-82
Автор: 
Домашняя страница автора: 

ГОСТ 25336-82

E-mail автора: 

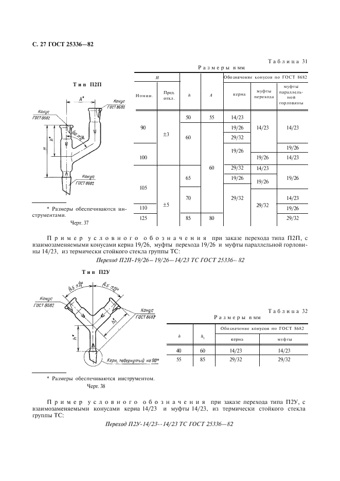
Посуда и оборудование лабораторные стеклянные. Типы, основные параметры и размеры

Обозначение: ГОСТ 25336-82
Статус: действующий
Название рус.: Посуда и оборудование лабораторные стеклянные. Типы, основные параметры и размеры
Название англ.: Laboratory glassware and equipment. Basic parameters and dimensions
Дата актуализации текста: 19.06.2012
Дата актуализации описания: 19.06.2012
Дата введения в действие: 01.01.1984
Область и условия применения: Настоящий стандарт распространяется на стеклянную лабораторную посуду и оборудование, изготовляемые для потребностей экономики страны и экспорта.
Изделия подразделяются на посуду: стаканы, стаканчики для взвешивания, колбы, колбы Фаворского, колбы с тубусом, пробирки, чашки, сосуды и оборудование: соединительные элементы и трубки, воронки, фильтры, капельницы, спиртовки, склянки с тубусом, насос водоструйный, эксикаторы, насадки, холодильники, дефлегматоры, каплеуловители, склянки для промывания газов, приборы для поглощения газов и паров воды, аппараты для получения газа
Взамен в части: ГОСТ 6371-73 в части типов, основных параметров и размеров
Список изменений: №1 от 01.01.1985 (рег. 09.04.1984) «Срок действия продлен»
№2 от 01.01.1987 (рег. 16.04.1986) «Срок действия продлен»
№3 от 01.01.1989 (рег. 27.06.1988) «Срок действия продлен»
№4 от 01.04.1990 (рег. 10.11.1989) «Срок действия продлен»


ГОСТ 25336-82
ГОСТ 25336-82
ГОСТ 25336-82
ГОСТ 25336-82
ГОСТ 25336-82
ГОСТ 25336-82
ГОСТ 25336-82
ГОСТ 25336-82
ГОСТ 25336-82
ГОСТ 25336-82
ГОСТ 25336-82
ГОСТ 25336-82
ГОСТ 25336-82
ГОСТ 25336-82
ГОСТ 25336-82
ГОСТ 25336-82
ГОСТ 25336-82
ГОСТ 25336-82
ГОСТ 25336-82
ГОСТ 25336-82
ГОСТ 25336-82
ГОСТ 25336-82
ГОСТ 25336-82
ГОСТ 25336-82
ГОСТ 25336-82
ГОСТ 25336-82
ГОСТ 25336-82
ГОСТ 25336-82
ГОСТ 25336-82
ГОСТ 25336-82
ГОСТ 25336-82
ГОСТ 25336-82
ГОСТ 25336-82
ГОСТ 25336-82
ГОСТ 25336-82
ГОСТ 25336-82
ГОСТ 25336-82
ГОСТ 25336-82
ГОСТ 25336-82
ГОСТ 25336-82
ГОСТ 25336-82
ГОСТ 25336-82
ГОСТ 25336-82
ГОСТ 25336-82
ГОСТ 25336-82
ГОСТ 25336-82
ГОСТ 25336-82
ГОСТ 25336-82
ГОСТ 25336-82
ГОСТ 25336-82
ГОСТ 25336-82
ГОСТ 25336-82
ГОСТ 25336-82
ГОСТ 25336-82
ГОСТ 25336-82
ГОСТ 25336-82
ГОСТ 25336-82
ГОСТ 25336-82
ГОСТ 25336-82
ГОСТ 25336-82
ГОСТ 25336-82
ГОСТ 25336-82
ГОСТ 25336-82
ГОСТ 25336-82
ГОСТ 25336-82
ГОСТ 25336-82
ГОСТ 25336-82
ГОСТ 25336-82
ГОСТ 25336-82
ГОСТ 25336-82
ГОСТ 25336-82
ГОСТ 25336-82
ГОСТ 25336-82
ГОСТ 25336-82
ГОСТ 25336-82
ГОСТ 25336-82
ГОСТ 25336-82
ГОСТ 25336-82
ГОСТ 25336-82
ГОСТ 25336-82
ГОСТ 25336-82
ГОСТ 25336-82
ГОСТ 25336-82
ГОСТ 25336-82
ГОСТ 25336-82
ГОСТ 25336-82
ГОСТ 25336-82
ГОСТ 25336-82
ГОСТ 25336-82
ГОСТ 25336-82
ГОСТ 25336-82
ГОСТ 25336-82
ГОСТ 25336-82
ГОСТ 25336-82
ГОСТ 25336-82
ГОСТ 25336-82
ГОСТ 25336-82
ГОСТ 25336-82
ГОСТ 25336-82
ГОСТ 25336-82
ГОСТ 25336-82
ГОСТ 25336-82
ГОСТ 25336-82
ГОСТ 25336-82
Автор: 
Домашняя страница автора: 

Страницы